Emise a diagnostika Defender 300TDi

Všeobecné rady a informace

Moderátor: Acon

Zpráva
Autor
Uživatelský avatar
Tazik1992
Příspěvky: 1429
Registrován: 10 čer 2014 22:59
tel.: 602875958
auto: Defík
Bydliště: Holýšov,Kaznějov

Re: Emise a diagnostika Defender 300TDi

#21 Příspěvek od Tazik1992 » 02 říj 2022 10:56

Tak jsem zjistil, že Defík kontrolku motoru má :shock: . Je to teda kontrolka od imobilizéru (červená), ale to by asi nikdo neřešil. Nachází se v "temné" zóně kontrolkovky.
Kdyby se napojila na jinou kontrolku, tak by se dala v nouzi použít jako vějička.
Def300 kontrolka motoru.jpg

Při pokusu o komunikaci s ECU alarmu přes Nanocom, jsem zjistil, že jsem měl opravdu "deaktivovaný" OBD port. K mému údivu byly zoxidované kontakty a ten napájecí byl dokonce úplně uhnilý. U konektrou na tomto místě, v kabině a vedle nohy, mě to fakt překvapilo. Asi mikroklima v autě :grin:
Oprava OBD konektoru 01.jpg

Teď jsem se konečně dostal k opravě. Napřed jsem si myslel, že bude stačit pro vytažení kontaktu jen přizvednutí zajišťovacího háčku, ale furt tam držel jak přibitý.
Oprava OBD konektoru 02 zajištění kontaktu.jpg

Na první pohled to nebylo vidět, ale z obou stran jsou ještě zajišťovací hřebeny, které je potřeba vyklopit.
Oprava OBD konektoru 03 hřeben.jpg

Přestože je OBD konektor v zapojení a rozměrech standardizovaný, tak samotné konstrukční provedení je dle libovůle výrobce. Pro náhradu původních kontaktů jsem si připravil orig. kontakty do OBD konektoru, ovšem od firmy Molex - typ MX-50420-8000/C (k mání např. zde https://www.tme.eu/cz/details/mx-50420- ... /504208000 (foto u produktu neodpovídá realitě)). No, moc se mu tam nechtělo, vodící křidélka a výstupky bylo třeba přistříhnout, ale nakonec se nechal přemluvit.
Oprava OBD konektoru 04 kontakt.jpg
Sloužim lidu! :-)
Land Rover Defender 110SW 300Tdi 1998
ex-služební Land Rover Defender 2,4TDCi Puma 2008

Uživatelský avatar
Tazik1992
Příspěvky: 1429
Registrován: 10 čer 2014 22:59
tel.: 602875958
auto: Defík
Bydliště: Holýšov,Kaznějov

Re: Emise a diagnostika Defender 300TDi

#22 Příspěvek od Tazik1992 » 22 říj 2023 13:20

Klucí prosim Vás, není tu nějaký historik-pamětník, který by si ještě pamatoval NANOCOM One ? Mám ho tu na hraní a nedaří se mi zprovoznit program v PC. Tedy program jsem nakonec rozchodil na starším booku s Win7, protože Win10ky ho odmítali nainstalovat i s různým nastavením kompatibility, ale po připojení Nanocomu k PC se v programu neukážou menu ??? Na displeji Nanocomu by se mělo zobrazit Remote pro režim ovládání z PC a to se také neděje. Vyzkoušel jsem už 4 různé převodníky USB-RS232 v kombinaci s různými propojovacími kabely a nic. Zkoušel jsem i různé rychlosti komunikace COM portu a taky nic. Zkoušel jsem to jak na stole, tak i v autě s Nanocomem zapojeným do OBD konektoru. Samotný Nanocom s jednotkou alarmu komunikuje a čte i data, pořp. i vstupy.
Nanocom One a program.jpg

Není třeba nějaké speciální nastavení komunikačních parametrů ?
Nemáte třeba někdo starší verzi toho obslužného programu ? Já mám jen tu poslední ze stránek Blackbox solutions - https://www.nanocom-diagnostics.com/downloads - verze 2.05. V tom Nanocomu je ale starší verze firmwaru 1.09, takže možná by mohl být problém v nekompatibilitě sw.

Další dotaz je - dá se u alarmové jednotky Lucas AS10 nastavit, aby bylo aktivní pouze ultrazvukové hlídání a všechny ostatní vstupy od dveřních spínačů byly ignorované ? A stejně tak a by byl neaktivní imobilizér, prostě aby ostrahu zajišťoval jen ten ultrazvuk.
Sloužim lidu! :-)
Land Rover Defender 110SW 300Tdi 1998
ex-služební Land Rover Defender 2,4TDCi Puma 2008

MadTom
Příspěvky: 15398
Registrován: 06 lis 2008 23:15
tel.: 608 600 360
auto: D2, Def 130
Bydliště: Olomouc

Re: Emise a diagnostika Defender 300TDi

#23 Příspěvek od MadTom » 22 říj 2023 13:27

K tomu Nanocomu, kdysi jsem to zkoušel a s převodníkem na USB jsem také neuspěl. Sám jsem měl už verzi s USB.
Zkusit někde PC s nativním RS232.
Drobek - Discovery II TD5 pro ženu, Blufínek - Defender 130 TD5 na ježdění s dětma a mě zbyl už zase jenom Ford Mondeo

Uživatelský avatar
Tazik1992
Příspěvky: 1429
Registrován: 10 čer 2014 22:59
tel.: 602875958
auto: Defík
Bydliště: Holýšov,Kaznějov

Re: Emise a diagnostika Defender 300TDi

#24 Příspěvek od Tazik1992 » 22 říj 2023 13:50

Tome to asi ještě zkusím, holt budu muset vzkřísit nějaký starý stolní šrot. Notebook s RS232kou už fakt nemám. Teda mám, ale ten je na diskety a to už je zase moc velká historie :lol: . Četl jsem nějaké anglické fórum, kde LR-kolega taky zápasil se zprovozněním Nanocomu One a uspěl s převodníkem až na třetí pokus/typ. Já měl o pokus navíc a nic :grin:
Sloužim lidu! :-)
Land Rover Defender 110SW 300Tdi 1998
ex-služební Land Rover Defender 2,4TDCi Puma 2008

MadTom
Příspěvky: 15398
Registrován: 06 lis 2008 23:15
tel.: 608 600 360
auto: D2, Def 130
Bydliště: Olomouc

Re: Emise a diagnostika Defender 300TDi

#25 Příspěvek od MadTom » 22 říj 2023 14:25

A to ještě neřešís fake obvody od FTDI v těchto převodnících, které nové ovladače v PC umí umrtvit.
Drobek - Discovery II TD5 pro ženu, Blufínek - Defender 130 TD5 na ježdění s dětma a mě zbyl už zase jenom Ford Mondeo

Uživatelský avatar
Tazik1992
Příspěvky: 1429
Registrován: 10 čer 2014 22:59
tel.: 602875958
auto: Defík
Bydliště: Holýšov,Kaznějov

Re: Emise a diagnostika Defender 300TDi

#26 Příspěvek od Tazik1992 » 22 říj 2023 21:21

Tak jsem probudil starého "Celera" s XPčkama a nativním sériovým portem. Při manuální instalaci zařízení se sice v zařízeních mezi porty objeví Nanocom zařízení, ale je to nefunkční. Dokonce v samotném Nanocom programu se poté po spuštění objevila hláška, že jej nalezl jako USB zařízení ?? a automaticky nastaví USB port načež se dolní řádek se stavem komunikace rozsvítil zeleně (to už jsem se tetelil blahem), jenže zase prd, komunikace se nekonala. Ani přes USB převodník. By mě zajímalo jestli to někdo někdy s PC rozchodil...
Sloužim lidu! :-)
Land Rover Defender 110SW 300Tdi 1998
ex-služební Land Rover Defender 2,4TDCi Puma 2008

MadTom
Příspěvky: 15398
Registrován: 06 lis 2008 23:15
tel.: 608 600 360
auto: D2, Def 130
Bydliště: Olomouc

Re: Emise a diagnostika Defender 300TDi

#27 Příspěvek od MadTom » 22 říj 2023 21:31

A neinstaluje se ti to rovnou i s USB ovladačem? Že by to kolidovalo. Jinak pustit terminálový program, jestli z toho Nanocomu na sériovém portu něco leze.
Drobek - Discovery II TD5 pro ženu, Blufínek - Defender 130 TD5 na ježdění s dětma a mě zbyl už zase jenom Ford Mondeo

Uživatelský avatar
VencaZE
Příspěvky: 3636
Registrován: 17 kvě 2008 14:51
tel.: 602 550 993
auto: 110HT, S2A 88, G66
Bydliště: Brod nad Tichou, okr. Tachov
Kontaktovat uživatele:

Re: Emise a diagnostika Defender 300TDi

#28 Příspěvek od VencaZE » 22 říj 2023 22:16

Hele Tazíku, radši to včas zahoď, nerad bych abys mi pak nadával co jsem ti to dal za pomstu :Sorry:
Urbanovi Pneu&Cars- Servis Land Rover, diagnostika, autoelektro, pneuservis a jiné.. urbanovipneucars@email.cz
WWW: http://www.landroverforum.cz/forum/view ... 12&t=26864
Proč bychom se dřeli, když můžeme spálit trochu nafty. OK1LRD

Uživatelský avatar
Tazik1992
Příspěvky: 1429
Registrován: 10 čer 2014 22:59
tel.: 602875958
auto: Defík
Bydliště: Holýšov,Kaznějov

Re: Emise a diagnostika Defender 300TDi

#29 Příspěvek od Tazik1992 » 22 říj 2023 22:40

MadTom píše: 22 říj 2023 21:31 A neinstaluje se ti to rovnou i s USB ovladačem? Že by to kolidovalo.
Právě že asi jo, protože když jsem pak zkoumal soubory s ovladačem z archivů stažených ze stránek Nanocomu pro RS232 a USB verzi, tak se ukázalo, že jsou stejné...
VencaZE píše: 22 říj 2023 22:16 Hele Tazíku, radši to včas zahoď, nerad bych abys mi pak nadával co jsem ti to dal za pomstu :Sorry:

Zatím je to v klidu Vašku, zatím k tomu přistupuju jako k historickému artefaktu, který je možno s trochou štěstí probudit k životu :grin: . Něco jako když jsem teď našel v garáži staré Nintendo s Máriem, který teď přichází zase do kurzu :grin:
Sloužim lidu! :-)
Land Rover Defender 110SW 300Tdi 1998
ex-služební Land Rover Defender 2,4TDCi Puma 2008

Uživatelský avatar
Tazik1992
Příspěvky: 1429
Registrován: 10 čer 2014 22:59
tel.: 602875958
auto: Defík
Bydliště: Holýšov,Kaznějov

Re: Emise a diagnostika Defender 300TDi

#30 Příspěvek od Tazik1992 » 26 říj 2023 22:01

Našel jsem tu starší vlákno NANOCOM a zkušenosti, kde na první stránce je ještě debata s využitím Nanocomu One - https://www.landroverforum.cz/forum/vie ... php?t=7365 - (pak to přejde na jeho následovníka Evolution) a kolega Miloš II, tam evidentně používá ten software. Tak to ve mě živí naději, že to muselo ňák fungovat. Přes terminálový program jsem zkusil aspoň poslat nesmyslnou sekvenci do Nanocomu a ejhle, přešel do Remote režimu. Dokonce nějaký nesmysl přišel po lince i zpátky. Šlo to jak přes nativní rozhraní RS232, tak přes USB převodník. Tudíž cesty v Nanocomu nejsou úplně zaseklé. Ale ani když už byl v Remote režimu, tak na nanocomový program už nereagoval a menu se neotevřela.

Tak jsem se rozhodl, že zapojím vědu a aspoň vyzkouším novou hračku - čínský scope od FNIRSI. Rozkreslil jsem si cesty na desce a napíchnul jsem se na linky před a za převodníkem v nanocomu.
Takhle vypadal příchozí signál na vstupu přes převodník od Axagonu
Nanocom One 02 - převodníky a signály - Axagon.jpg

Takhle přes převodník od Premium Cord
Nanocom One 03 - převodníky a signály - Cord.jpg

Každej jinej. A navíc jsem si všimnul, že to reaguje na hýbání s konektorem. Tak jsem pojal podezření jestli konektor v nanocomu není vyběhaný a připájel jsem bokem jiný.
Docela změna. Najednou je tam pila - u Axagonu menší.
Nanocom One 04 - převodník Axagon - nový konektor.jpg

U Cordu se skoro třikrát větším rozkmitem
Nanocom One 05 - převodník Cord - nový konektor.jpg

Jenže reakce z nanonocomu ven - nulová. A v programu taky.
Sloužim lidu! :-)
Land Rover Defender 110SW 300Tdi 1998
ex-služební Land Rover Defender 2,4TDCi Puma 2008

MadTom
Příspěvky: 15398
Registrován: 06 lis 2008 23:15
tel.: 608 600 360
auto: D2, Def 130
Bydliště: Olomouc

Re: Emise a diagnostika Defender 300TDi

#31 Příspěvek od MadTom » 27 říj 2023 06:31

Nevím co máš špatně zapojené, ale takto by průběh na sériovém portu vypadat určitě neměl. Měly by tam běhat obdélníky. MilošII měl Nanocom ONE už s USB, půjčoval jem si ho od něj. Sám jsem ho také měl a ano, software v PC s tím fungoval.
Drobek - Discovery II TD5 pro ženu, Blufínek - Defender 130 TD5 na ježdění s dětma a mě zbyl už zase jenom Ford Mondeo

Uživatelský avatar
Tazik1992
Příspěvky: 1429
Registrován: 10 čer 2014 22:59
tel.: 602875958
auto: Defík
Bydliště: Holýšov,Kaznějov

Re: Emise a diagnostika Defender 300TDi

#32 Příspěvek od Tazik1992 » 27 říj 2023 09:13

MadTom píše: 27 říj 2023 06:31 Nevím co máš špatně zapojené, ale takto by průběh na sériovém portu vypadat určitě neměl. Měly by tam běhat obdélníky. MilošII měl Nanocom ONE už s USB, půjčoval jem si ho od něj. Sám jsem ho také měl a ano, software v PC s tím fungoval.

To já čekal samozřejmě taky obdélníky :grin: . Ta pila má navíc rozkmit 1,5 voltu, to je i na pouhý šum dost silný. Levou sondu, tedy horní kánál s pilou mám napojenou na vstup převodníku RS232 a snímám přímo linku TX ze sériového portu. Druhá sonda je napojená na výstup mikrokontoléru a snímá jeho TX výstup do MAXe, tedy to, co bypak mělo jít na linku RX sériáku. Ten scope je na baterie a kostra je v Nanocomu jedna - datová i napájecí dohromady, takže třeba z téhle strany problém neočekávám. Ještě přemýšlím jestli nemůže být včudu ten převodník MAX, jestli v minulosti nezažil něco ošklivého .... A nebo muselo být něco s převodníky, ale že by to měly oba, ten od Cordu je novej.... Zkoušel jsem je na třech počítačích....

A Tome nepamatuješ si prosím jestli ten program naběhl hned po spuštění se všema těma Menu a nebo se muselo počkat na spojení s Nanocomem ?
Sloužim lidu! :-)
Land Rover Defender 110SW 300Tdi 1998
ex-služební Land Rover Defender 2,4TDCi Puma 2008

MadTom
Příspěvky: 15398
Registrován: 06 lis 2008 23:15
tel.: 608 600 360
auto: D2, Def 130
Bydliště: Olomouc

Re: Emise a diagnostika Defender 300TDi

#33 Příspěvek od MadTom » 27 říj 2023 09:36

K programu v PC si jistej nejsem, ale myslím, že naběhl i s nepřipojeným Nanocomem, ale měl jsem verzi s USB, takže ovladač to mělo vždy.
K tomu MAXu - nejspíš jsou u něj nějaké kondenzátory a má nějaké napájení (5V ?), koukni, jestli to napájení tam skutečně je a jestli na kondenzátorech bude něco jako +-12V - většinou to funguje jako nábojová pumpa, aby si to tyhle napětí potřebná pro RS232 vyrobilo. Vůbec by mě nepřekvapilo, kdyby některý kondenzátor okolo toho MAXu, vetšinou to bývaly malé tantaly, byl vadný - zkratovaný. Je to celkem obvyklá závada. Potom by nejspíš nefungoval ten vnitřní měnič v MAXu a výsledkem by mohly být ty zdeformované obdélníky, a to jak na straně RS232 tak na straně připojení k procesoru v Nanocomu. Nebo může být ten MAX prostě poškozený.
Drobek - Discovery II TD5 pro ženu, Blufínek - Defender 130 TD5 na ježdění s dětma a mě zbyl už zase jenom Ford Mondeo

Uživatelský avatar
Tazik1992
Příspěvky: 1429
Registrován: 10 čer 2014 22:59
tel.: 602875958
auto: Defík
Bydliště: Holýšov,Kaznějov

Re: Emise a diagnostika Defender 300TDi

#34 Příspěvek od Tazik1992 » 27 říj 2023 10:04

MadTom píše: 27 říj 2023 09:36 K programu v PC si jistej nejsem, ale myslím, že naběhl i s nepřipojeným Nanocomem, ale měl jsem verzi s USB, takže ovladač to mělo vždy.
To jo, mě ten program nabíhá, dokonce pozná když už je pak správně nastavený COM port. Ale já myslel, jestli u toho vašeho programu byla vidět ta tlačítka s jednotlivými funkcemi a menu, hned jak se spustil - bez připojení k Nanocomu, bez komunikace. Mě se pouští jen prázdný program Nanocom a je v něm jen tlačítko s volbou portu a tlačítko s otazníkem (takové to "o nás o programu").

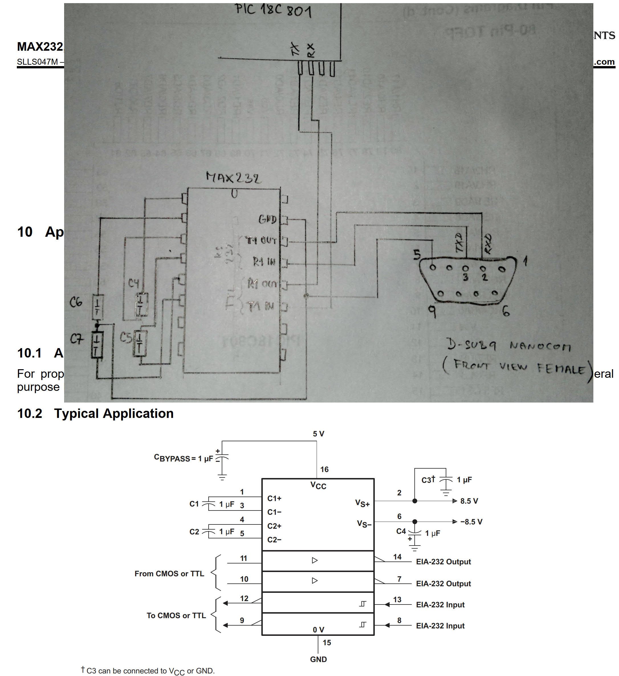
Já jsem zkoumal to zapojení převodníku MAX v Nanocomu a je typické. Napětí jsem měřil - napájení 5V sedí a na výstupech měniče je +9V a -8,6V, což odpovídá i tomu typickému schématu zapojení. Ale je fakt, že jsem to nekontroloval scopem jaký mají ty napětí průběh ?? to bych ještě mohl..
Nanocom One 06 - převodník schéma.jpg
Sloužim lidu! :-)
Land Rover Defender 110SW 300Tdi 1998
ex-služební Land Rover Defender 2,4TDCi Puma 2008

MadTom
Příspěvky: 15398
Registrován: 06 lis 2008 23:15
tel.: 608 600 360
auto: D2, Def 130
Bydliště: Olomouc

Re: Emise a diagnostika Defender 300TDi

#35 Příspěvek od MadTom » 27 říj 2023 11:44

S tím programem si to doopravdy nepamatuju.
Skus se osciloskopem kouknout mezi MAX a ten procesor - musí tam být logické úrovně, nikoliv jenom nějaké náhodné napětí, a když jdou data, tak tam musí být hezké obdélníky. Případně, pokud jsou spoje přístupné, tak to může mezi MAXe a procesorem říznout - stačí TXD procesoru, aby do toho nekecal, spojit RXD a TXD na 5V straně MAXu a tím si udělat loop - připojit k PC, pustit terminálový program a to co odešleš na sériový port se ti skrz ten MAX musí vrátit, a když to potom rozpojíš, tak se to vracet nebude. Obdobně to můžeš spojit na RS232 straně před tím MAXe a otestovat, že ti to s COM portu chodí. A k tomu si na to koukat osciloskopem. Když už tam nebudou obdélníky, tak alespoň něco hodně podobného. Tohle už nebude závislé od rychlosti procesoru v Nanocomu, ale jenom od toho, co nastavíš u COMu v PC, takže si s tím můžeš hrát. Čím pomalejší komunikace, tím víc to budou obdélníky.
Ještě mě napadá, jestli jsi o to osciloskopu měl na vstupech DC vazbu, protože mi furt nesedí ty obrázky.
Drobek - Discovery II TD5 pro ženu, Blufínek - Defender 130 TD5 na ježdění s dětma a mě zbyl už zase jenom Ford Mondeo

Uživatelský avatar
Tazik1992
Příspěvky: 1429
Registrován: 10 čer 2014 22:59
tel.: 602875958
auto: Defík
Bydliště: Holýšov,Kaznějov

Re: Emise a diagnostika Defender 300TDi

#36 Příspěvek od Tazik1992 » 27 říj 2023 16:53

Opravdu jsem na jednom kanále měl AC vazdu, jak jsem dával autoset tak jsem si ani nevšiml jak tam skočila. Každopádně, když jsem to dneska zkoušel znova nasimulovat, tak už jsem takové signály nezachytil. Zřejmě erekce na slunci :grin:

Díky za radu, zkusil jsem to a otestoval s bypassem na lince. Přerušil jsem cesty k PICu a dal tam propoj. Teda todle už je na hranici mých unavených očních senzorů :grin: . Toť destička Nanocomu One
Nanocom One 07 - bypass linek.jpg
Následující měření, zachytit věrohodně oba kanály, už bylo nad možnosti čínského střepu, musel jsem oprášit Teka, abych něco viděl. Vyslaná zpráva se vrací krásně zpět, tedy převodník v Nanocomu funguje. Takdle vypadá slovo "land rover" v jedničkách a nulách :grin:
Nanocom One 08 - linka Rs232 tam a zpět.jpg

Když se obnoví cesta,ta samá zpráva běží i do PICu a přepne jej do Remotu. Je znát, že když se hne se sériovým konektorem, tak se zvýší šum, takže storpo nebude v super stavu, ale přenosu je každopádně schopen. Začíná se to stáčet směrem k programu a jeho přístupu na port... Asi si dám oddychový čas :grin:
Sloužim lidu! :-)
Land Rover Defender 110SW 300Tdi 1998
ex-služební Land Rover Defender 2,4TDCi Puma 2008

MadTom
Příspěvky: 15398
Registrován: 06 lis 2008 23:15
tel.: 608 600 360
auto: D2, Def 130
Bydliště: Olomouc

Re: Emise a diagnostika Defender 300TDi

#37 Příspěvek od MadTom » 27 říj 2023 17:17

Zkus jiné PC s HW sériovým portem a hlavně správným kabelem, aby na sebe správně navazovalo RXD a TXD. To byl v době před USB celkem častý zdroj problémů.
Canon konektor vydrží hodně, případně se dají i napružit piny. Pokud ti běhaji obdélníky přes MAXe, tak bych koukal na zem, jestli kontaktuje.
Drobek - Discovery II TD5 pro ženu, Blufínek - Defender 130 TD5 na ježdění s dětma a mě zbyl už zase jenom Ford Mondeo

Uživatelský avatar
Tazik1992
Příspěvky: 1429
Registrován: 10 čer 2014 22:59
tel.: 602875958
auto: Defík
Bydliště: Holýšov,Kaznějov

Re: Emise a diagnostika Defender 300TDi

#38 Příspěvek od Tazik1992 » 27 říj 2023 20:21

MadTom píše: 27 říj 2023 17:17 Zkus jiné PC s HW sériovým portem a hlavně správným kabelem, aby na sebe správně navazovalo RXD a TXD.

No jo, ale to už abych začal obcházet sběrný dvory :lol: . Mám tu jen jeden starý stolní PC s nativním COM portem a na tom jsem to zkoušel taky. Kabel jsem měl samozřejmě nekřížený, prostě 1:1, tak jak je doporučeno v návodu od Nanocomu. Je novej a ještě jsem si ho prozvonil jestli je dobrej.
Samozřejmě účelem mise je zprovoznit to na notebooku nebo tabletu. Notebook s nativním seriovým portem sem viděl naposled před 20lety, to už bych musel asi rovnou do muzea :lol:
Ještě zkusím nějakou násilnou injektáž ovladačů od Nanocomu do Windows. A pak je ještě možnost zkusit upgrade firmwaru přímo v Nanocomu. Na stránkách Blackbox solution je k tomu sw i návod.
Sloužim lidu! :-)
Land Rover Defender 110SW 300Tdi 1998
ex-služební Land Rover Defender 2,4TDCi Puma 2008

Uživatelský avatar
pojir
Příspěvky: 2571
Registrován: 20 zář 2013 12:29
tel.: 602727915
auto: D2
Bydliště: u Blanska
Kontaktovat uživatele:

Re: Emise a diagnostika Defender 300TDi

#39 Příspěvek od pojir » 27 říj 2023 21:18

Kdybys moc chtel, nekde mi tu myslim lezi dell latitude d520 (funkcni, jen bez baterky) a ceka, az ho vyhodim. Nativni seriovy port to ma.
Jakkoliv vysoko vyskocis, nikdy nepreskocis svoji prdel.

Uživatelský avatar
Tazik1992
Příspěvky: 1429
Registrován: 10 čer 2014 22:59
tel.: 602875958
auto: Defík
Bydliště: Holýšov,Kaznějov

Re: Emise a diagnostika Defender 300TDi

#40 Příspěvek od Tazik1992 » 27 říj 2023 22:47

pojir píše: 27 říj 2023 21:18 Kdybys moc chtel, nekde mi tu myslim lezi dell latitude d520 (funkcni, jen bez baterky) a ceka, az ho vyhodim. Nativni seriovy port to ma.
No tak to ho nech ještě chvilku čekat, co kdyby na něj došlo a byl poslední svého druhu :grin: :grin: . Já teda doufám, že se to podaří protlačit univerzální cestou s převodníkem...
Sloužim lidu! :-)
Land Rover Defender 110SW 300Tdi 1998
ex-služební Land Rover Defender 2,4TDCi Puma 2008

Odpovědět