Stránka 1 z 1
free nejde nasrartovat 1.8i - tedy benzín
Napsal: 24 říj 2014 18:43
od michal3475
Zdravím,
poradí někdo proč mi nejde občas nastartovat free?
Vypadá, jako když čerpadlo nedostane povel k zapnutí. Když ho zapnu "natvrdo" třeba k nabíječce, tak normálně běží, benzín dává. Ale když zapnu klíček,otočím,tak čerpadlo někdy nereaguje a já pak nenastartuju. Občas ale vše funguje normálně.
Poraďte......
Díky
Re: free nejde nasrartovat 1.8i - tedy benzín
Napsal: 25 říj 2014 13:30
od michal3475
prosím, je tam nějaké relé, které spouští čerpadlo??????
Re: free nejde nasrartovat 1.8i - tedy benzín
Napsal: 25 říj 2014 17:15
od Tazik1992
Je v pojistkovém boxu v motorovém prostoru.
Re: free nejde nasrartovat 1.8i - tedy benzín
Napsal: 25 říj 2014 18:53
od michal3475
Tam je jen cca 8 pojistek, jinak nic......
Re: free nejde nasrartovat 1.8i - tedy benzín
Napsal: 25 říj 2014 20:43
od Tazik1992
A tak, ty máš benzína do r.v.2000? Pak by měla být 4 relé v modulu vedle řídící jednotky. Jedno z nich je pro čerpadlo.

- free1,8 do2000.JPG (88.65 KiB) Zobrazeno 6291 x
Re: free nejde nasrartovat 1.8i - tedy benzín
Napsal: 26 říj 2014 07:12
od y.sajty
Další možnost by byla spínací skříňka,špatný kontakt.
Re: free nejde nasrartovat 1.8i - tedy benzín
Napsal: 27 říj 2014 17:39
od michal3475
relátka jsem našel, vypadají ok. Co dává signál relátku k sepnutí????
Re: free nejde nasrartovat 1.8i - tedy benzín
Napsal: 27 říj 2014 17:41
od michal3475
Můžu připojit čerpadlo na proud napřímo? Že by zaplo prostě při zapnutí klíčku???
Re: free nejde nasrartovat 1.8i - tedy benzín
Napsal: 27 říj 2014 20:46
od Tazik1992
michal3475 píše:Můžu připojit čerpadlo na proud napřímo? Že by zaplo prostě při zapnutí klíčku???

Na co lidi nepřijdou
Patice pod relé vypadá dobře(neopálená,nezoxidovaná)?
Jak relátka spínají jsi zkoušel třeba alespoň připojením k té nabíječce?
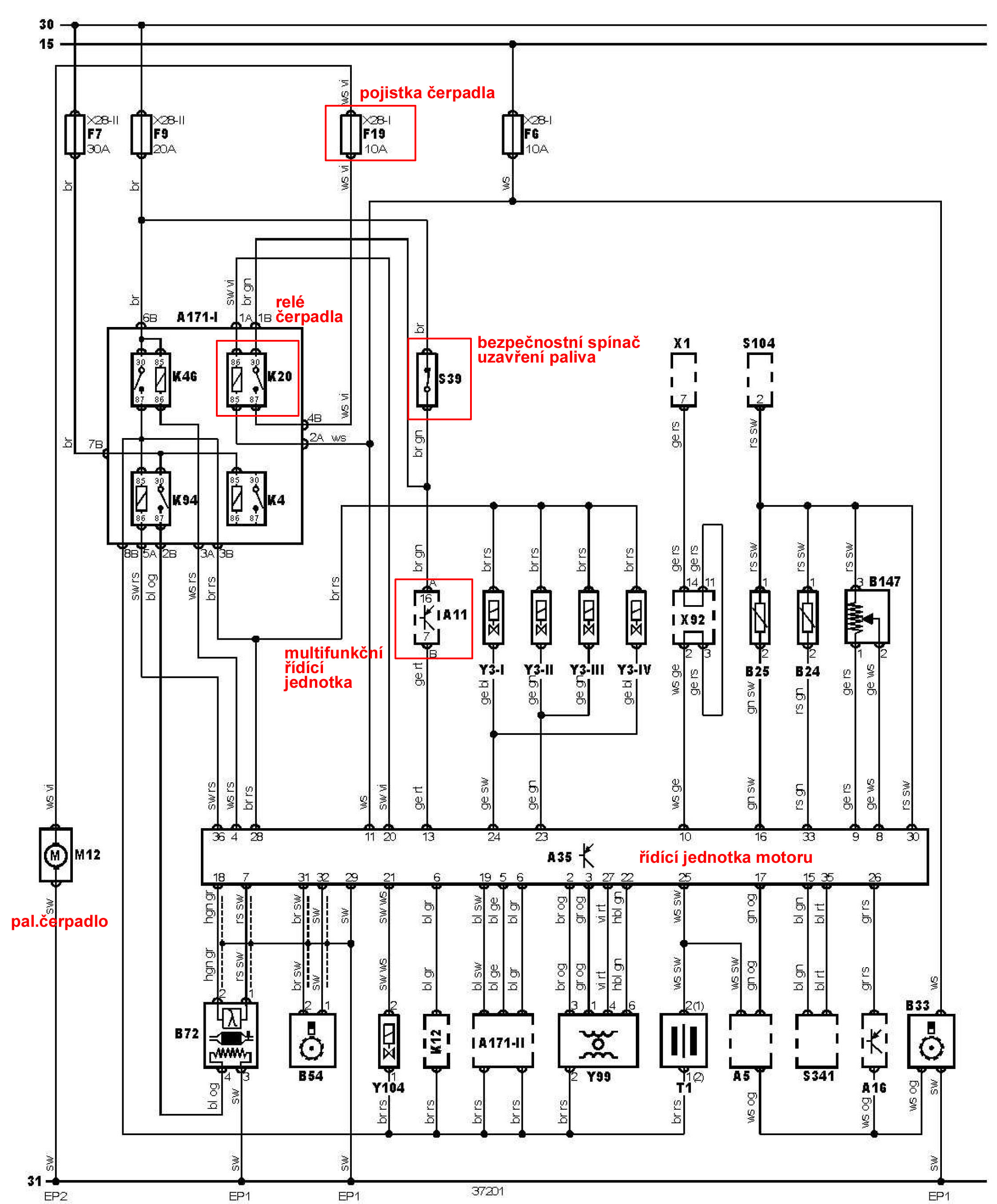
Signál dává ŘJ motoru. Okruh je kromě pojistky jištěn bezpečnostním spínačem uzavření paliva (rozpojí obvod čerpadla). Možná by mohl být problém v něm.
Na předchozím obrázku je to ta součástka v pravém horním rohu pod oknem (z vrchu má gumový kryt).
Viz Allanovo téma
http://www.landroverforum.cz/forum/view ... =7&t=25613.
Možná bys ho mohl zkusit proměřit nebo na zkoušku překlemovat jak se to bude chovat.
zjednodušené schéma ovládaní čerpadla
Re: free nejde nasrartovat 1.8i - tedy benzín
Napsal: 28 říj 2014 09:57
od y.sajty
pokud by byl zapnut bezp. zpínač,pak by benzín nešel ale tobě spíná čerpadlo náhodile a to spíš ukazuje na spínací skříňku,kde je špatný kontakt a někdy nejde proud k čerpadlu.Rozdělat spínací skříňku a podívat se na kontakty.Myslím,že to dokáže i trochu zručný amatér.
Re: free nejde nasrartovat 1.8i - tedy benzín
Napsal: 28 říj 2014 12:18
od Tazik1992
Jó,jo může to být jakýkoliv špatný kontakt v okruhu. On ten bezpečnostní spínač už může být taky nespolehlivej (kontakty,konektor), to neni že by byl rozpojenej.
Nepohasínají náhodou při neplatnym pokusu o start kontrolky. Doufam ,že nemáš takovou spínací skříňku, co máme v práci na jednom Nissanu. tam se musí člověk trefit klíčkem do okénka desetin milimetru aby seply kontakty. Takový auto se dá startovat celé minuty

Re: free nejde nasrartovat 1.8i - tedy benzín
Napsal: 28 říj 2014 12:45
od michal3475
Dnes odzkoušeny relátka.....ty spínaj,takže asi v pohodě. Pro jistotu jsem kontakty trochu očistil. Teď to funguje a už vím, které spíná čerpadlo. Takže uvidím. Než jsem to šel zkusit, tak jsem ještě zkusil zmáčknout to bezp.relé a je pravda, že jsem ho zacvaknul. Tak teď budu zase zkoušet občas nastartovat a uvidím. Zatím snad funguje.......
Jinak, co může to relé vypnout???
Jakékoliv poznatky ocením a zatím dík moc

Re: free nejde nasrartovat 1.8i - tedy benzín
Napsal: 28 říj 2014 12:54
od Tazik1992
michal3475 píše:Jinak, co může to relé vypnout???
Jestli myslíš ten bezpečnostní vypínač, tak ten reaguje na otřesy, vibrace. Měl by tedy zejména vypnout při nárazu vozidla, jeho kutálení atd.
Re: free nejde nasrartovat 1.8i - tedy benzín
Napsal: 28 říj 2014 21:58
od mulder
Měl jsem stejný problém na 1,8čce a dělal to vadný pojistkový panel uvnitř vozu. I když relé čerpadla vždy seplo tak k čerpadlu šel velmi slabý proud. Panel jsem neměnil,přidal jsem vedle box s pojistkou.