Problem-Tachometer neukazuje

D, TD, TDI, TD5
Odpovědět
Zpráva
Autor
Uživatelský avatar
Tomo112
Příspěvky: 81
Registrován: 14 lis 2009 22:01
auto: DEFENDER 110 TD5
Bydliště: Slovensko-Bratislava

Problem-Tachometer neukazuje

#1 Příspěvek od Tomo112 » 03 dub 2010 13:01

Zdravím mám problém že tachometer mi prestal ukazovať rýchlosť a rátať km. raz sa to už stalo ale potom pri jazde po diaľnici sa spamätal ale teraz to nejde už dlhšiu dobu a neviem čo stým poistky sú o.k. nemá nemal niekto podobný problém????
A druhá vec prestali mi fungovať predne stierače odstrekovač ide ale stierače nič je pravda že v zime štrajkovali že chvíľu im trvalo nech sa rozhýbu ale teraz je pekne teplo a žiadna odozva prosím pomoc.

Uživatelský avatar
DanoDEF
Příspěvky: 5132
Registrován: 15 říj 2006 21:36
auto: 110 SW
Bydliště: Geča

Re: Problem-Tachometer neukazuje

#2 Příspěvek od DanoDEF » 03 dub 2010 13:32

... ak su poistky OK ako tvrdis treba skontrolovat ci nemas "vypadnuty" snimac na redukcnej prevodovke. Je iba zacvaknuty a nejaky konar ti ho mohol vytiahnut.
LR Defender Td5 110SW po "prestavbe" a pred "prestavbou".

Uživatelský avatar
Tomo112
Příspěvky: 81
Registrován: 14 lis 2009 22:01
auto: DEFENDER 110 TD5
Bydliště: Slovensko-Bratislava

Re: Problem-Tachometer neukazuje

#3 Příspěvek od Tomo112 » 03 dub 2010 13:38

DanoDEF píše:... ak su poistky OK ako tvrdis treba skontrolovat ci nemas "vypadnuty" snimac na redukcnej prevodovke. Je iba zacvaknuty a nejaky konar ti ho mohol vytiahnut.
A nevies nahodou ake ma mat hodnoty ten snimac ze by som ho premeral lebo nikde som ich nenasiel

Uživatelský avatar
DanoDEF
Příspěvky: 5132
Registrován: 15 říj 2006 21:36
auto: 110 SW
Bydliště: Geča

Re: Problem-Tachometer neukazuje

#4 Příspěvek od DanoDEF » 03 dub 2010 13:40

Tomo112 píše: A nevies nahodou ake ma mat hodnoty ten snimac ze by som ho premeral lebo nikde som ich nenasiel
... na to potrebujes osciloskop. Ma tam byt kostra, +12V a vystup s impulzami.
LR Defender Td5 110SW po "prestavbe" a pred "prestavbou".

Uživatelský avatar
Tomo112
Příspěvky: 81
Registrován: 14 lis 2009 22:01
auto: DEFENDER 110 TD5
Bydliště: Slovensko-Bratislava

Re: Problem-Tachometer neukazuje

#5 Příspěvek od Tomo112 » 03 dub 2010 13:47

DanoDEF píše:
Tomo112 píše: A nevies nahodou ake ma mat hodnoty ten snimac ze by som ho premeral lebo nikde som ich nenasiel
... na to potrebujes osciloskop. Ma tam byt kostra, +12V a vystup s impulzami.
No osciloskop by nebol problem taketo hracky v robote mame :D
A stimy stieracmy co to ma viac trapy tachometer neni taky poctatny potrebujem vidiet von cez okno :lol:

Uživatelský avatar
DanoDEF
Příspěvky: 5132
Registrován: 15 říj 2006 21:36
auto: 110 SW
Bydliště: Geča

Re: Problem-Tachometer neukazuje

#6 Příspěvek od DanoDEF » 03 dub 2010 13:54

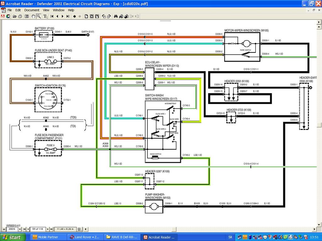
... skus studovat
Přílohy
stierace.JPG
(137.6 KiB) Staženo 411 x
LR Defender Td5 110SW po "prestavbe" a pred "prestavbou".

Uživatelský avatar
Tomo112
Příspěvky: 81
Registrován: 14 lis 2009 22:01
auto: DEFENDER 110 TD5
Bydliště: Slovensko-Bratislava

Re: Problem-Tachometer neukazuje

#7 Příspěvek od Tomo112 » 03 dub 2010 13:57

DanoDEF píše:... skus studovat
Nemohol by si mi tie schemy prosimta preposlat alebo dat link kde sa daju stiahnut prosíím :cry: :cry:
Apropo do Tisovca ides?

Odpovědět