Poradíte mi - servo,spojka,nádrž ???

Freelander I, II

Moderátor: Safraporte

Odpovědět
Zpráva
Autor
Uživatelský avatar
Vacíno
Příspěvky: 6
Registrován: 10 led 2011 18:56
auto: Freelander 2,0 TD4

Poradíte mi - servo,spojka,nádrž ???

#1 Příspěvek od Vacíno » 09 dub 2013 23:09

Ahoj všem,mám 3 dotazy....

1. při točení volantem na místě jde servo ztuha a když přidám plyn (při neutrálu) je to mnohem lepší. Je to normální??
2. pří couvání v hlubokém sněhu je cítít nepříjemný smrad (trochu jak z kafilérky)-spojka???
3. teče mi nafta z nádrže,zřejmě hadice a nevím jak k ní.. Spodem nebo z podběhu? Nemám zdviž,tekže než pod to polezu,radši se ptám...

Díky za odpovědi V...
Naposledy upravil(a) Vacíno dne 10 dub 2013 19:12, celkem upraveno 1 x.

Uživatelský avatar
Hunter
Příspěvky: 1497
Registrován: 22 bře 2007 01:04
auto: Free I Td4 AT
Bydliště: Jičínsko
Kontaktovat uživatele:

Re: Poradíte mi ???

#2 Příspěvek od Hunter » 10 dub 2013 12:28

Ja jenom k te 2ce - to je citit spojka, zvlaste pri couvani v zatezi dostava zabrat a je pekne citit ...
Free Td4 2004 HSE automat

Uživatelský avatar
dandee
Příspěvky: 462
Registrován: 03 lis 2010 12:28
auto: Free 1.8 benz 1999

Re: Poradíte mi ???

#3 Příspěvek od dandee » 10 dub 2013 14:49

Jo,tu kafilerku si skrtni,to som mal tiez vo vysokom snehu.
LR Freelander 1,8 , Fiat Ducato obytne auto , Suzuki Samuraj 1,3 , Mercedes C 180 sport coupe kompresor .

Uživatelský avatar
Vacíno
Příspěvky: 6
Registrován: 10 led 2011 18:56
auto: Freelander 2,0 TD4

Re: Poradíte mi - servo,spojka,nádrž ???

#4 Příspěvek od Vacíno » 10 dub 2013 19:14

Já si to myslel,ale ten smrad byl úplně jinej než klasickej smrad ze spojky...

Uživatelský avatar
macejky1
Příspěvky: 2222
Registrován: 18 lis 2008 13:06
tel.: 736245909
auto: EX Freelander, RRC
Bydliště: Trebíc
Kontaktovat uživatele:

Re: Poradíte mi - servo,spojka,nádrž ???

#5 Příspěvek od macejky1 » 10 dub 2013 21:29

Ahoj

1. otáčky motoru = otáčky servo čerpadla by neměly mít znatelný vliv na sílu serva tzn. neměl bys pozorovat moc velký rozdíl v síle kterou točíš volantem při volnoběhu nebo při třeba 2 000 ot. Pokud je ten rozdíl citelný tak bych to tipoval na vyběhané servo čerpadlo.

Při studeným motoru vždy zabírá servo nejlépe protože je olej hustý a tomu zubovýmu čerpadlu se nejlépe nabírá. Jestli ti to na volnoběh málo posiluje řízení i při studeným motoru tak to bude servo čerpadlo na 90%.


2. spojka nebo se ti na vejfuku griluje přejetej zajíc :-)


3. Nevím co máš za motor ale myslím že TD4 je v tomhle stejná jako Di. Vtokovou hadici najdeš pod podběhem a výstup z nádrže k motoru a vratka od motoru jsou přístupné pod krytem který je pod zadními sedačkami. Hadice k motoru pak vedou samozřejmě pod autem. Takže těžko říct kam se podívat nejdřív. Může to téct z hadic k motoru i z vtokové hadice. Asi to budeš muset zkontrolovat oboje. Ale palivové hadice k motoru jsou dost kvalitní. Uvnitř je docela silná plastová trubka a z venku gumová "izolace". To jen tak nepraskne. Na nádrži jsou ale připojený k podávacímu čerpadlu přes plastový rychlospojky. Tak by to mohlo bejt netěsný.
EX-FREELANDER 2.0Di - lift 2", zátěž. pruž., 29" AT/MT, polybush, CB, webasto, zahrada, HELLA, šnorchl
RRC 3.5V8 EFI MY1986 - Barnabáš ve fázi vývoje
Harley Davidson Street 750 MY2018 - custom

Uživatelský avatar
macejky1
Příspěvky: 2222
Registrován: 18 lis 2008 13:06
tel.: 736245909
auto: EX Freelander, RRC
Bydliště: Trebíc
Kontaktovat uživatele:

Re: Poradíte mi - servo,spojka,nádrž ???

#6 Příspěvek od macejky1 » 10 dub 2013 21:32

Teď koukám že máš TD4. Ty mají od nějakýho roku ( nevím přesně asi 2002 ) podávací čerpadlo v podběhu.
EX-FREELANDER 2.0Di - lift 2", zátěž. pruž., 29" AT/MT, polybush, CB, webasto, zahrada, HELLA, šnorchl
RRC 3.5V8 EFI MY1986 - Barnabáš ve fázi vývoje
Harley Davidson Street 750 MY2018 - custom

Uživatelský avatar
cesta
Příspěvky: 546
Registrován: 01 črc 2009 10:08
auto: Freelander I TD4
Bydliště: Koňakov-Český Těšín

Re: Poradíte mi - servo,spojka,nádrž ???

#7 Příspěvek od cesta » 11 dub 2013 06:20

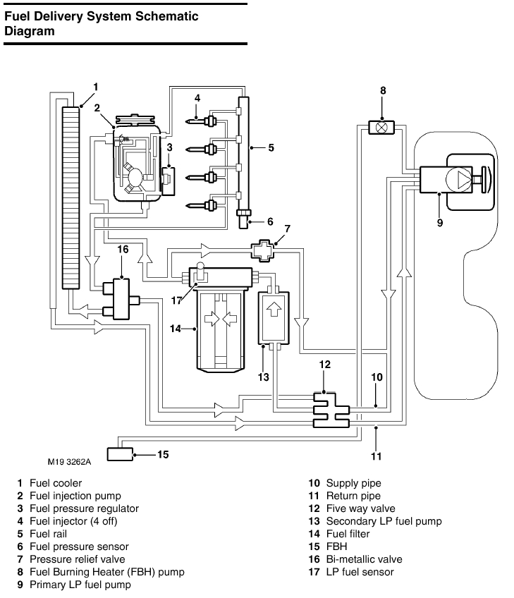
Tady je schéma jak je zapojená nafta
Přílohy
okruh.jpeg
Freelander TD4 2002+Discovery 2 TD5 2001

Uživatelský avatar
Vacíno
Příspěvky: 6
Registrován: 10 led 2011 18:56
auto: Freelander 2,0 TD4

Re: Poradíte mi - servo,spojka,nádrž ???

#8 Příspěvek od Vacíno » 11 dub 2013 14:40

Díky chlapi...

Krasty
Příspěvky: 515
Registrován: 17 úno 2012 08:33
Bydliště: Vitorazsko

Re: Poradíte mi - servo,spojka,nádrž ???

#9 Příspěvek od Krasty » 04 pro 2017 06:33

macejky1 píše: 10 dub 2013 21:29 Ahoj

1. otáčky motoru = otáčky servo čerpadla by neměly mít znatelný vliv na sílu serva tzn. neměl bys pozorovat moc velký rozdíl v síle kterou točíš volantem při volnoběhu nebo při třeba 2 000 ot. Pokud je ten rozdíl citelný tak bych to tipoval na vyběhané servo čerpadlo.

Při studeným motoru vždy zabírá servo nejlépe protože je olej hustý a tomu zubovýmu čerpadlu se nejlépe nabírá. Jestli ti to na volnoběh málo posiluje řízení i při studeným motoru tak to bude servo čerpadlo na 90%.
Nechal jsem si vymenit servocerpadlo, je to tedy nahrada a ne original.
Ale deje se mi presne to, co tu popisujete...pri volnobehu (ne vzdy) sevo jakoby nejde. Volant jde ztuha. Kdyz treba dojizdim k nejake vedl.silnici na volnobeh, chci zatocit, tak to najednou jde ztuha, tak zaberu a najedno servo zabere...nic prijemneho a hlanve to neni pokazde. Za studena to vypada ok.
Ale dival jsem se do nadrzky a olej neni cerveny, ale ruzovy. Nejak jsem nestihl patrat, co tam mechanik nalil, ale takhle proste olej nema vypadat. Si rikam, ze to muze byt olejem. Teda doufam, ze to tak je.
Jak se vubec meni? Je to na nejakou tezkou rozborku nebo je na to nejaky figl?
Diky
Freelander 1 2,0 Tcie, 5 dv. rok 1998
Volvo XC90 2,5 T (LPG) rok 2005
Honda Civic 1,5i16V rok 1993

Honda CBR954 RR, Jawa 250, Parez (predrenovacni stav bohuzel bez TP)

Ryba je nejslusnejsi tvor na zemi....NEBERE A NEBERE :-)

Uživatelský avatar
deyva
Příspěvky: 293
Registrován: 18 říj 2012 20:00
auto: Free I 3D 2.0Di,2000
Bydliště: 1/2 cesty Brno <-> Břeclav

Re: Poradíte mi - servo,spojka,nádrž ???

#10 Příspěvek od deyva » 04 pro 2017 09:25

A olej se neztrácí z nádobky? Já jsem to řešil přes dva roky... Ztrácel se olej, všechno zajebaný kolem, postupně jsem vyměnil nádobku, obě hadice k servopumpě... Letos to už bylo tak špatný, že jakýkoliv parkování u kterýho se hodně točí volantem bylo za trest, protože servo chvíli šlo a chvíli nešlo... Značkování všude, kde jsem si stoupnul. V zimě taky servo hučelo a občas už to poslední dobou začalo pískat. Vrchol byl, když jsem jel z práce v koloně a zapl klimu - vyvalil se dým z podkapoty a z mřížek topení... Pak jsem to konečně rozdělal - v servopumpě bylo takový debilní těsnění mezi půlkama, který se prostě jaksi rozpustilo a byly tam vyloženě díry mezi půlkama servopumpy - tam to teklo. No a olej se začal pálit v momentě, když se kouslo ložisko na servopumpě, protože klec byla uplně rozšrotovaná a začalo se protáčet na hřídeli, která se začala zahřívat a od toho ten uniklej olej. Dal jsem nový těsnění na servopumpu, koupil nový ložisko, po obvodu v několika řadách důlčíkem rozklepal načlou hřídel a ještě pod ložisko dal lepidlo na ložiska do 0,2mm, nalil jsem dexron III olej a funguje to zatím vpohodě už cca tři tisíce km bez ztráty kapičky servooleje. Po nalití servooleje se samozřejmě musí odvzdušnit - nejlíp tak, že se oddělá kostra z naftovýho čerpadla, pak se točí motorem pomocí startéru a volantem plnej rejd vlevo, plnej vpravo, vlevo, vpravo takhle asi třikrát, vždycky dolít olej a mělo by to být odvzdušněný. Co se týče výměny servooleje tak tam se myslim taky odpojovalo naftový čerpadlo a podobně jako při odvzdušnění, ale s tím, že se to odpojí u vstupu do řízení. Komplet výměnu jsem nedělal, ale takhle jsem to nějak vyčetl v rave. To naftový čerpadlo se odpojuje aby motor nechytnul a nepřidíralo se servo kdby tam bylo moc vzduchu, málo oleje atd.

Krasty
Příspěvky: 515
Registrován: 17 úno 2012 08:33
Bydliště: Vitorazsko

Re: Poradíte mi - servo,spojka,nádrž ???

#11 Příspěvek od Krasty » 04 pro 2017 10:56

Me to taky chcalo...ale sem tam kapka asi 4 roky (dolil jsem vseho vsudy tak decku) az najednou behem pul hodinky vyteklo vsechno...holt to tesneni padlo.
Taky jsem to resil jen tim tesnenim, ale bohuzel se mi omylem stalo, ze mi vypadly ty 3-4 casti ze serva (vypadlo mi to cerpadlo z ruky a jak jsem to chytal, tak se to stalo) a i kdyz jsem se pokusil to dat nejak dohormady, tak pry dle mechanika to po namontovani nefungovalo. I kdyz si myslim, ze jsem to mel asi spravne...je tam takova osicka, co hodne napovi, vsechny valecky jsem dohledal atdatd.. Nechtel jsem platit dalsich 3 tisice za vymontovani a namontovani, kde bych si nebyl jistej, tak jsem koupil nahradu za nec. 5 tis kc..takze ted je tam nove. Tkaze dle meho nazoru budto jinej olej nebo to chce odvzdusnit.
Olej se neztraci.
Diky
Freelander 1 2,0 Tcie, 5 dv. rok 1998
Volvo XC90 2,5 T (LPG) rok 2005
Honda Civic 1,5i16V rok 1993

Honda CBR954 RR, Jawa 250, Parez (predrenovacni stav bohuzel bez TP)

Ryba je nejslusnejsi tvor na zemi....NEBERE A NEBERE :-)

Uživatelský avatar
deyva
Příspěvky: 293
Registrován: 18 říj 2012 20:00
auto: Free I 3D 2.0Di,2000
Bydliště: 1/2 cesty Brno <-> Břeclav

Re: Poradíte mi - servo,spojka,nádrž ???

#12 Příspěvek od deyva » 04 pro 2017 15:37

Krasty píše: 04 pro 2017 10:56 Me to taky chcalo...ale sem tam kapka asi 4 roky (dolil jsem vseho vsudy tak decku) az najednou behem pul hodinky vyteklo vsechno...holt to tesneni padlo.
Taky jsem to resil jen tim tesnenim, ale bohuzel se mi omylem stalo, ze mi vypadly ty 3-4 casti ze serva (vypadlo mi to cerpadlo z ruky a jak jsem to chytal, tak se to stalo) a i kdyz jsem se pokusil to dat nejak dohormady, tak pry dle mechanika to po namontovani nefungovalo. I kdyz si myslim, ze jsem to mel asi spravne...je tam takova osicka, co hodne napovi, vsechny valecky jsem dohledal atdatd.. Nechtel jsem platit dalsich 3 tisice za vymontovani a namontovani, kde bych si nebyl jistej, tak jsem koupil nahradu za nec. 5 tis kc..takze ted je tam nove. Tkaze dle meho nazoru budto jinej olej nebo to chce odvzdusnit.
Olej se neztraci.
Diky
Přesně... U mě díky tomu vadnýmu a už na hřídeli volnýmu ložisku vypadl ten zajišťovací kolíček (klínek) z hřídele a pak se to vysypalo celý na ponk, ale ta tyčka v rohu hodně při skládání pomohla. Jinak zkoušku funkčnosti po poskládání jsem dělal tak, že jsem nalil do čerpadla trošku servooleje a točil hřídelí ve směru v jakým se to točí namontovaný a čučel do výstupu, jestli tam něco začíná týct... Po tom, co jsem toho měl plný oko a celej xicht od oleje jsem naznal, že funguje :-D No a ještě mě taky napadlo, jestli by to nemohlo být zbržděním řemenu něčím jiným - altíkem, klimakompresorem... Že by třeba jedno z toho odmítalo točit a tím pádem brzdilo celej řemen. Mě takhle právě zbržďovalo ta kouslá servo pumpa sem tam altík, takže jsem dobíjel třeba jen 13V, někdy nedobíjel vůbec, pak se zase chytl... Ale provázelo to pískání řemenu na řemenici od klikovky (to všechno než jsem opravil pumpu)

Krasty
Příspěvky: 515
Registrován: 17 úno 2012 08:33
Bydliště: Vitorazsko

Re: Poradíte mi - servo,spojka,nádrž ???

#13 Příspěvek od Krasty » 06 pro 2017 04:52

Za studena to jde v pohode, tak si myslim, ze to je olejem. Ptal jsem se mechanika ze servisu a pry ze tam nalili nejakej standart olej, ale holt sem to chce ten Dextron III. Takze me ceka vymena.
Ono asi je celkem hnus se dostat k tomu cerpadlu, abych mohl vyndat hadici, coz?
Freelander 1 2,0 Tcie, 5 dv. rok 1998
Volvo XC90 2,5 T (LPG) rok 2005
Honda Civic 1,5i16V rok 1993

Honda CBR954 RR, Jawa 250, Parez (predrenovacni stav bohuzel bez TP)

Ryba je nejslusnejsi tvor na zemi....NEBERE A NEBERE :-)

Uživatelský avatar
deyva
Příspěvky: 293
Registrován: 18 říj 2012 20:00
auto: Free I 3D 2.0Di,2000
Bydliště: 1/2 cesty Brno <-> Břeclav

Re: Poradíte mi - servo,spojka,nádrž ???

#14 Příspěvek od deyva » 06 pro 2017 12:27

Krasty píše: 06 pro 2017 04:52 Za studena to jde v pohode, tak si myslim, ze to je olejem. Ptal jsem se mechanika ze servisu a pry ze tam nalili nejakej standart olej, ale holt sem to chce ten Dextron III. Takze me ceka vymena.
Ono asi je celkem hnus se dostat k tomu cerpadlu, abych mohl vyndat hadici, coz?
No, když jsem měnil jen hadice, tak tu na matku jsem dotahoval klíčem kde jsem měl pravou ruku protáhlou mezi hadicema za chladičem a levou z druhé strany a dělal jsem to po hmatu. Stahovací sponku na té druhé hadici - sací jsem musel povolit zespodu s asi 40cm násadou na ráčně abych se tam vůbec dostal. Ale na výměnu toho oleje bych neodpojoval možná přímo z čerpadla, ale spíš tu vracečku do nádobky možná a prolil to durch - tj vracečku do nádobky bych dal do nějaké flašky bokem, točil motorem a dolíval do nádobky na servoolej ten správnej. Řekněme, že by tam měl patřit tak litr, tak bych tam nalil dva. Sice se nevymění úplně všechno, ale třeba tak 90% ano. Ale tohle jsem nikdy nedělal, takže nevim jestli by ten postup byl správnej...

Edit: samozřejmě bych netočil jak blbej abych nezadřel pumpu a navíc bych měl odpojenej ten drát aby motor nenaskočil. Ještě bych u toho asi kroutil volantem plnej levá pravá.

Krasty
Příspěvky: 515
Registrován: 17 úno 2012 08:33
Bydliště: Vitorazsko

Re: Poradíte mi - servo,spojka,nádrž ???

#15 Příspěvek od Krasty » 13 pro 2017 05:00

deyva píše: 06 pro 2017 12:27
Krasty píše: 06 pro 2017 04:52 Za studena to jde v pohode, tak si myslim, ze to je olejem. Ptal jsem se mechanika ze servisu a pry ze tam nalili nejakej standart olej, ale holt sem to chce ten Dextron III. Takze me ceka vymena.
Ono asi je celkem hnus se dostat k tomu cerpadlu, abych mohl vyndat hadici, coz?
No, když jsem měnil jen hadice, tak tu na matku jsem dotahoval klíčem kde jsem měl pravou ruku protáhlou mezi hadicema za chladičem a levou z druhé strany a dělal jsem to po hmatu. Stahovací sponku na té druhé hadici - sací jsem musel povolit zespodu s asi 40cm násadou na ráčně abych se tam vůbec dostal. Ale na výměnu toho oleje bych neodpojoval možná přímo z čerpadla, ale spíš tu vracečku do nádobky možná a prolil to durch - tj vracečku do nádobky bych dal do nějaké flašky bokem, točil motorem a dolíval do nádobky na servoolej ten správnej. Řekněme, že by tam měl patřit tak litr, tak bych tam nalil dva. Sice se nevymění úplně všechno, ale třeba tak 90% ano. Ale tohle jsem nikdy nedělal, takže nevim jestli by ten postup byl správnej...

Edit: samozřejmě bych netočil jak blbej abych nezadřel pumpu a navíc bych měl odpojenej ten drát aby motor nenaskočil. Ještě bych u toho asi kroutil volantem plnej levá pravá.
Jakoze udelat proplach? To by slo. Diky
Freelander 1 2,0 Tcie, 5 dv. rok 1998
Volvo XC90 2,5 T (LPG) rok 2005
Honda Civic 1,5i16V rok 1993

Honda CBR954 RR, Jawa 250, Parez (predrenovacni stav bohuzel bez TP)

Ryba je nejslusnejsi tvor na zemi....NEBERE A NEBERE :-)

Odpovědět