Kompletní tažné vč. čepu

Discovery I, II, III

Moderátor: Miky_CZ

Odpovědět
Zpráva
Autor
Uživatelský avatar
lany_czech
Příspěvky: 24
Registrován: 30 dub 2013 23:00
auto: Discovery 1 Tdi

Kompletní tažné vč. čepu

#1 Příspěvek od lany_czech » 10 kvě 2013 22:28

Ahoj,
poradíte, kde sehnat na Discovery 1 (1995) levně, klidně starší kompletní tažné zařízení? Případně nemáte to někdo na prodej vč. typového listu? Na tom autě není vůbec nic. Jen nárazník a dvě díry :) Děkuji pěkně.

dava
Příspěvky: 799
Registrován: 30 bře 2013 09:05
auto: DII Td5 v origoši

Re: Kompletní tažné vč. čepu

#2 Příspěvek od dava » 10 kvě 2013 23:14

lany_czech píše:Ahoj,
poradíte, kde sehnat na Discovery 1 (1995) levně, klidně starší kompletní tažné zařízení? Případně nemáte to někdo na prodej vč. typového listu? Na tom autě není vůbec nic. Jen nárazník a dvě díry :) Děkuji pěkně.
Ty, že jsi nakonec popad toho třídveřáka?? :chuckle
No road? No problem...
LR užívej s klidem a rozvahou Angličana, jinak tě dostane do blázince

Uživatelský avatar
lany_czech
Příspěvky: 24
Registrován: 30 dub 2013 23:00
auto: Discovery 1 Tdi

Re: Kompletní tažné vč. čepu

#3 Příspěvek od lany_czech » 14 kvě 2013 10:10

Tak když nikdo nemá nic staršího, nedoporučíte, co mám koupit, prosím? Zatím koukám na ... http://www.litep4x4.cz/detail/discovery ... e-zarizeni" onclick="window.open(this.href);return false;

A nebo zajedu do Brna a udělají mi to hned. http://www.taznazarizeni.eu/landrover~c253.html" onclick="window.open(this.href);return false;

A taky kde namontovat? Ideálně okolí Jihlavy nebo Žďáru nad Sázavou.

MarekS

Re: Kompletní tažné vč. čepu

#4 Příspěvek od MarekS » 16 kvě 2013 07:11

Seš ve špatným vlákně je tu poptávka po náhradních dílech a pak existuje :mt stačí zavolat třeba :dance

Akorát ke staršímu typovej list nedostaneš to bude chtít :beer :coffee :drink

Uživatelský avatar
Land Jirka
Příspěvky: 3621
Registrován: 29 lis 2006 18:40
tel.: +420731913431
auto: Land Rover
Bydliště: Boskovice
Kontaktovat uživatele:

Re: Kompletní tažné vč. čepu

#5 Příspěvek od Land Jirka » 16 kvě 2013 10:48

jezdím s autama do toho brna ...
namontují na počkání se všema papírama potom stačí zajít na úřad a nechat zapsat do TP
Land Rover 4x4 SERVIS, PRODEJ DÍLŮ LAND ROVER, DIAGNOSTIKA, OPRAVY A ÚPRAVY LAND ROVER, RENOVACE VETERÁNŮ
Tel: 731913431

Uživatelský avatar
Hanys_a_Kaca
Příspěvky: 6555
Registrován: 18 kvě 2010 09:13
tel.: 775 173 983
auto: DEF110+D2+RRC
Bydliště: Prachatice / Budějice

Re: Kompletní tažné vč. čepu

#6 Příspěvek od Hanys_a_Kaca » 12 zář 2013 17:05

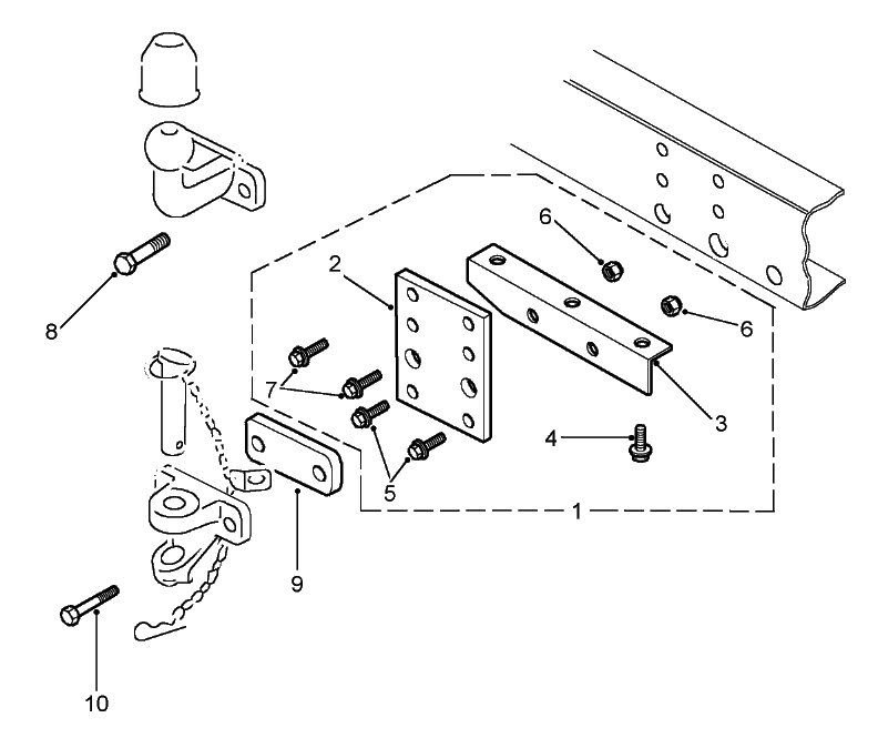
Tož chlapi jsem sice trochu mimo rubriku - je to na defa, ale rychlej dotaz: Jaká je rozteč středů děr a průměr děr té věci třeba číslo 9 na obrázku? Páchám tady takovou věc a nemám auto u sebe. Děkuju.
Přílohy
tazne.jpg
Hanys a Káča

Land Rover se nekupuje, Land Rover se staví.
O našem výletu: http://www.oneland.cz

Uživatelský avatar
petmic
Příspěvky: 551
Registrován: 08 říj 2012 10:49
auto: D2
Bydliště: SK

Re: Kompletní tažné vč. čepu

#7 Příspěvek od petmic » 12 zář 2013 17:31

Na D2 to je 90mm, na Defa to asi bude rovnake. Priemer dier je ~18mm
if it ain't broke, don't fix it

Uživatelský avatar
Hanys_a_Kaca
Příspěvky: 6555
Registrován: 18 kvě 2010 09:13
tel.: 775 173 983
auto: DEF110+D2+RRC
Bydliště: Prachatice / Budějice

Re: Kompletní tažné vč. čepu

#8 Příspěvek od Hanys_a_Kaca » 12 zář 2013 17:33

:yes
petmic píše:Na D2 to je 90mm, na Defa to asi bude rovnake. Priemer dier je ~18mm
Hanys a Káča

Land Rover se nekupuje, Land Rover se staví.
O našem výletu: http://www.oneland.cz

Odpovědět