Otackomer

D, TD, TDI, TD5
Zpráva
Autor
Uživatelský avatar
Diglobe
Příspěvky: 362
Registrován: 02 črc 2009 13:28
auto: DIII, Def110
Bydliště: Praha a Chouzavá

Re: Otackomer

#41 Příspěvek od Diglobe » 30 lis 2022 16:33

a bude chodit i na TD5?
DIII
Defender 110, Td5, 2" OME, WARN9000

Kyanid Sodný
Příspěvky: 410
Registrován: 09 kvě 2016 16:35

Re: Otackomer

#42 Příspěvek od Kyanid Sodný » 02 pro 2022 20:28

bere impulzy z alternátoru "W" , něco ukazovat bude, asi potřeba to tak nějak doseřídit,-jestli se to vůbec podaří , no je to levný budík ,mizerný kvality ,kdysi jsem ho taky měl a nakonec skončil ve šmelcu
Největší škody na autě se způsobí dobrými umysly

MadTom
Příspěvky: 15398
Registrován: 06 lis 2008 23:15
tel.: 608 600 360
auto: D2, Def 130
Bydliště: Olomouc

Re: Otackomer

#43 Příspěvek od MadTom » 02 pro 2022 20:48

U TD5ky řídící jednotka motoru poskytuje informaci o otáčkách, které odpovídá signálu ze 4 válcového motoru. Jediný problém může být, že ty impulzy jsou jenom 5V, a běžné otáčkoměry potřebují 12V.
Drobek - Discovery II TD5 pro ženu, Blufínek - Defender 130 TD5 na ježdění s dětma a mě zbyl už zase jenom Ford Mondeo

Uživatelský avatar
matooo
Příspěvky: 1786
Registrován: 11 dub 2010 20:31
tel.: 775555656
auto: puma
Bydliště: brnoo

Re: Otackomer

#44 Příspěvek od matooo » 02 pro 2022 20:52

a naco pre boha ziveho vam je otackomer v defikovi ? v starom boli hodiny a zrovna dnes som sa zamyslal jak casto sa v Pume kuknem na otackomer a zistil som ze asi nikdy :rofl

Kyanid Sodný
Příspěvky: 410
Registrován: 09 kvě 2016 16:35

Re: Otackomer

#45 Příspěvek od Kyanid Sodný » 02 pro 2022 21:01

otáčkoměr možná sleduju víc jak tachometr :grin: ,otáčkoměr který má rozsah 8000ot, je tady u defendra který má tak max. 4000ot docela na nic.
Největší škody na autě se způsobí dobrými umysly

Uživatelský avatar
Tazik1992
Příspěvky: 1429
Registrován: 10 čer 2014 22:59
tel.: 602875958
auto: Defík
Bydliště: Holýšov,Kaznějov

Re: Otackomer

#46 Příspěvek od Tazik1992 » 02 pro 2022 23:44

Sice jsem si ze začátku myslel, že mi bude otáčkoměr chybět, ale dneska musím říct, že víc oceňuju v kapličce ty hodiny než otáčkoměr.
Rozsah 8000 je pro 300vku fakt zbytečný, otáčky pro maximální výkon jsou 4000, přeběhové 4600.

A má třeba Td5kový alternátor W svorku ?
Sloužim lidu! :-)
Land Rover Defender 110SW 300Tdi 1998
ex-služební Land Rover Defender 2,4TDCi Puma 2008

Uživatelský avatar
DanoDEF
Příspěvky: 5133
Registrován: 15 říj 2006 21:36
auto: 110 SW
Bydliště: Geča

Re: Otackomer

#47 Příspěvek od DanoDEF » 03 pro 2022 07:02

Nema.
LR Defender Td5 110SW po "prestavbe" a pred "prestavbou".

MadTom
Příspěvky: 15398
Registrován: 06 lis 2008 23:15
tel.: 608 600 360
auto: D2, Def 130
Bydliště: Olomouc

Re: Otackomer

#48 Příspěvek od MadTom » 03 pro 2022 07:32

Vyvedeniu přímo ne, ale je to stále normální alternátor, takže se to z něj dá vytáhnout po drobné úpravě. Jednodušší je ale použít výstup z řídící jednotky motoru. Některá auta už mají i příslušný drát ve svazku, pokud se bude dotahovat, tak je ideální šance rovnou dotáhnout dráty pro tempomat.
Drobek - Discovery II TD5 pro ženu, Blufínek - Defender 130 TD5 na ježdění s dětma a mě zbyl už zase jenom Ford Mondeo

Kyanid Sodný
Příspěvky: 410
Registrován: 09 kvě 2016 16:35

Re: Otackomer

#49 Příspěvek od Kyanid Sodný » 03 pro 2022 11:56

Tak tohle by byl docela dobrej budík pro defendera, ale má poněkud větší pruměr, než co je díra v tej kapličce , takže kdo chce domácí práci a vylepšovat, tunit a bastlit tak zde:https://www.kardanka.cz/otackomer-s-mot ... 5-mm-19973
Největší škody na autě se způsobí dobrými umysly

Uživatelský avatar
mr-tomas
Příspěvky: 2522
Registrován: 10 čer 2012 23:45
auto: Def 110 300Tdi
Bydliště: Praha 10

Re: Otackomer

#50 Příspěvek od mr-tomas » 03 pro 2022 12:17

Nejlepší je koupit nastavitelnej VDO s rozsahem do 6000ot, o velikosti co se tam vejde. A počítejte s tím, že se musí stejně trimrem uvnitř nakalibrovat podle otáček motoru. Tak to bylo alespoň u mne.
Deformační zóna Defendera je vozidlo stojící před ním.

Radim
Příspěvky: 472
Registrován: 24 úno 2007 21:00
tel.: 603256861
auto: Defender 110 300Tdi
Bydliště: Louny

Re: Otackomer

#51 Příspěvek od Radim » 03 pro 2022 14:07

Radim
LIVE TO RIDE- RIDE TO LIVE

Radim
Příspěvky: 472
Registrován: 24 úno 2007 21:00
tel.: 603256861
auto: Defender 110 300Tdi
Bydliště: Louny

Re: Otackomer

#52 Příspěvek od Radim » 03 pro 2022 14:08

To bude nejspíš ten spravnej....
Radim
LIVE TO RIDE- RIDE TO LIVE

Radim
Příspěvky: 472
Registrován: 24 úno 2007 21:00
tel.: 603256861
auto: Defender 110 300Tdi
Bydliště: Louny

Re: Otackomer

#53 Příspěvek od Radim » 03 pro 2022 14:09

Ještě jsem našel VDO do 5tis ot. ale má průměr 80mm
Radim
LIVE TO RIDE- RIDE TO LIVE

Uživatelský avatar
Tazik1992
Příspěvky: 1429
Registrován: 10 čer 2014 22:59
tel.: 602875958
auto: Defík
Bydliště: Holýšov,Kaznějov

Re: Otackomer

#54 Příspěvek od Tazik1992 » 03 pro 2022 14:28

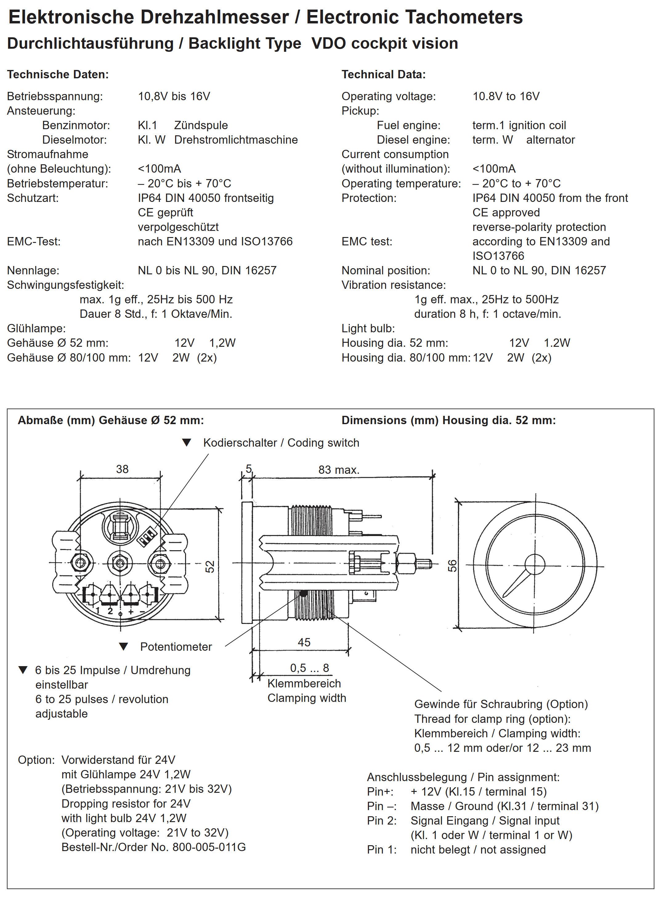
To by měl být tenhle model od VDO - 333-015-009K. Má i možnost korekce.
vdo 333-015-009K cockpit-vision-tachometer-6000-rpm-52mm-12v.jpg
vdo 333-015-009K cockpit-vision-tachometer-6000-rpm-52mm-12v.jpg (33.7 KiB) Zobrazeno 4813 x
VDO otáčkoměr 6000rpm vdo 333-015-009K.jpg

Ono těch otáčkoměrů s průměrem 52mm zase tolik není.
Sloužim lidu! :-)
Land Rover Defender 110SW 300Tdi 1998
ex-služební Land Rover Defender 2,4TDCi Puma 2008

Uživatelský avatar
pojir
Příspěvky: 2571
Registrován: 20 zář 2013 12:29
tel.: 602727915
auto: D2
Bydliště: u Blanska
Kontaktovat uživatele:

Re: Otackomer

#55 Příspěvek od pojir » 03 pro 2022 15:13

Moznost korekce a 6K rozsah ma i ten od Autogauge za litr...
pojir píše: 29 lis 2022 17:23 "Ale prosim, beze vseho," ozvalo se ze sluchatka: https://www.zbozi.cz/vyrobek/autogauge- ... podkladem/
Jakkoliv vysoko vyskocis, nikdy nepreskocis svoji prdel.

Odpovědět