Nefunkční sterace

Freelander I, II

Moderátor: Safraporte

Odpovědět
Zpráva
Autor
Freelnder 2
Příspěvky: 7
Registrován: 03 zář 2021 19:19
tel.: 723509480
auto: Freelander 2

Nefunkční sterace

#1 Příspěvek od Freelnder 2 » 25 srp 2023 22:47

Zdravím přátele,

práva packa nepustí sterace, ale blinkry a sterace nestiraj :angry

Nemáte tip, kde by mohla být závada?
Díky za případně info

Uživatelský avatar
Tazik1992
Příspěvky: 1429
Registrován: 10 čer 2014 22:59
tel.: 602875958
auto: Defík
Bydliště: Holýšov,Kaznějov

Re: Nefunkční sterace

#2 Příspěvek od Tazik1992 » 26 srp 2023 11:03

Freelnder 2 píše: 25 srp 2023 22:47 práva packa nepustí sterace, ale blinkry a sterace nestiraj :angry
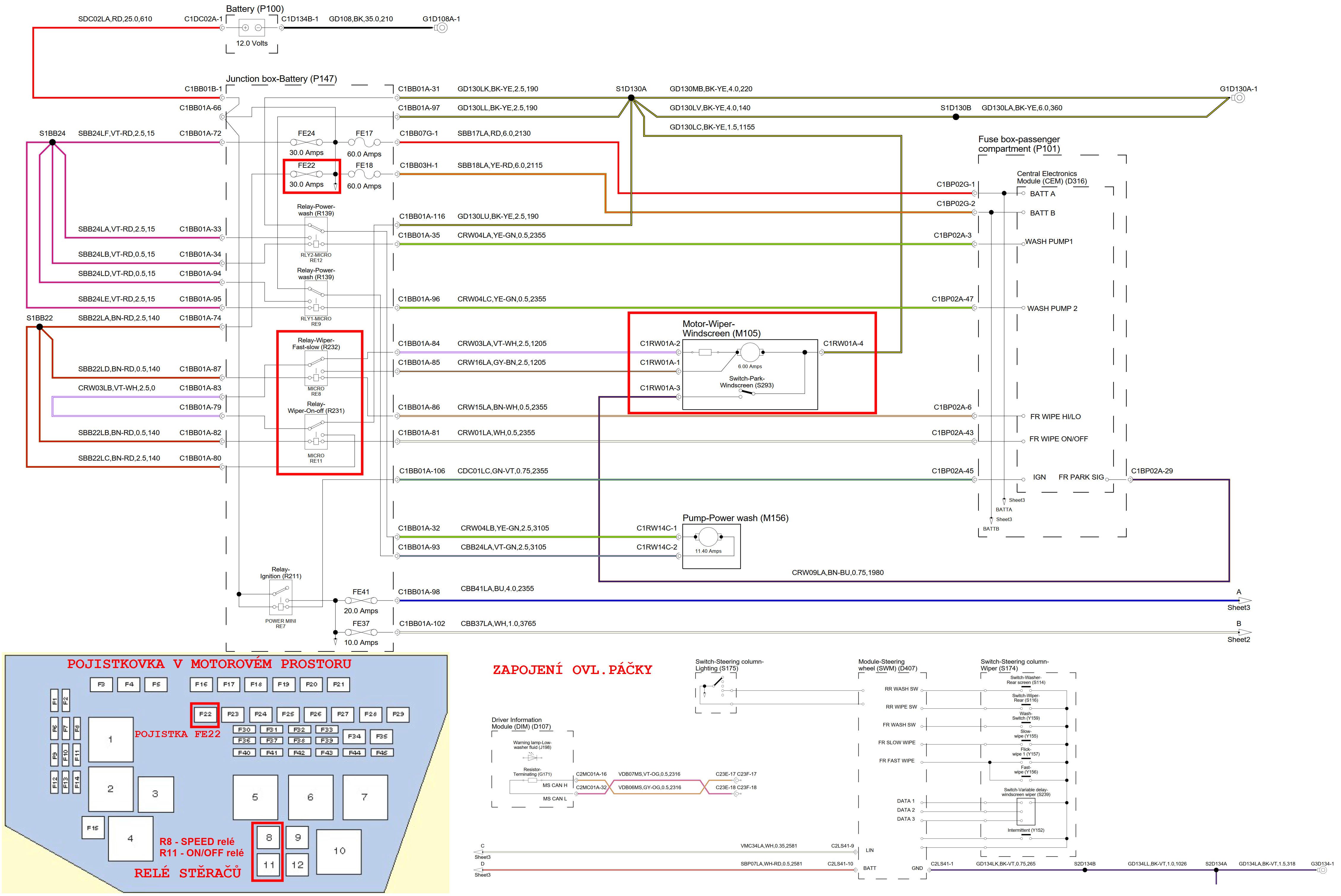
Ahoj. Né, že bych se v tý větě vyznal, ale jestli teda nejdou stěrače, tak začni tím nejjednodušším - kontrola pojistky, relátek stěračů, kabeláž. Když budou dobrý tak kontrola vinutí motorku, případně kontrola napájení 12V ze strany přes relé a kostru k motorku. Poté případně ještě zapojení a kontakty u ovl.páčky. Potom už by to bylo horší, protože signál z páčky jde vnitřní cestou přes ŘJ do rozvodnice s relé.
Free2 stěrače.jpg
Sloužim lidu! :-)
Land Rover Defender 110SW 300Tdi 1998
ex-služební Land Rover Defender 2,4TDCi Puma 2008

Freelnder 2
Příspěvky: 7
Registrován: 03 zář 2021 19:19
tel.: 723509480
auto: Freelander 2

Re: Nefunkční sterace

#3 Příspěvek od Freelnder 2 » 26 srp 2023 15:47

Ahoj, díky za odpověď, Jo když to čtu nedava to smysl. Měl jsem v hlavě to, ze práva packa co ovládá sterace směrem nahoru, čili cyklovani, tak nepustí sterac ale blinkry z nějakýho důvodu, posunem dolu sterac sestře jak ma, pouze jednou, ale zároveň zas vyhodi blinkr 🤣
Jinak leva packa na ovládání blinkrů funguje

Uživatelský avatar
Tazik1992
Příspěvky: 1429
Registrován: 10 čer 2014 22:59
tel.: 602875958
auto: Defík
Bydliště: Holýšov,Kaznějov

Re: Nefunkční sterace

#4 Příspěvek od Tazik1992 » 26 srp 2023 16:50

Freelnder 2 píše: 26 srp 2023 15:47 Jo když to čtu nedava to smysl. Měl jsem v hlavě to, ze práva packa co ovládá sterace směrem nahoru, čili cyklovani, tak nepustí sterac ale blinkry z nějakýho důvodu, posunem dolu sterac sestře jak ma, pouze jednou, ale zároveň zas vyhodi blinkr 🤣

Jo tak to už dává smysl. Teda ta věta, nikoliv to divné chování :grin:
A to ti problikne jen kontrolka blinkrů nebo opravdu svítí i blinkry jako takové ? A to svítí případně jen jedna strana blinkrů ? Nebo obě, tedy jako v režimu výstražných ?
Sloužim lidu! :-)
Land Rover Defender 110SW 300Tdi 1998
ex-služební Land Rover Defender 2,4TDCi Puma 2008

Freelnder 2
Příspěvky: 7
Registrován: 03 zář 2021 19:19
tel.: 723509480
auto: Freelander 2

Re: Nefunkční sterace

#5 Příspěvek od Freelnder 2 » 26 srp 2023 17:09

Prave ze svítí i blinkry jako takové, jen práva strana,..

Uživatelský avatar
Tazik1992
Příspěvky: 1429
Registrován: 10 čer 2014 22:59
tel.: 602875958
auto: Defík
Bydliště: Holýšov,Kaznějov

Re: Nefunkční sterace

#6 Příspěvek od Tazik1992 » 26 srp 2023 22:33

Fííha, to je věc. No, když fungují stěrače na povel jednoduchého rychlého setření, tak je výkonový okruh v pořádku. Chyba bude v ovládání. Signály ze spínačů na páčkách vyhodnocuje přímo jednotka na volantu - Steering Wheel Module. Ta je roztřídí do zpráv a posílá po sběrnici do CML a ten už pak rozhodne co se má sepnout. Neumím si teda představit, co by se muselo pod volantem stát, aby při pohybu pravé páčky stěračů odešla zpráva pro sepnutí okruhu blinkrů, kterou má dávat levá páčka ovládání světel.

Steering Wheel Module
Free2 steering column module f1.jpg

Možná sundat límec kolem volantu, vyndat páčku a zkontrolovat konektor. Popř. proměřit jestli není nějaký výstup sepnutý trvale.
Land Rover FREELANDER 2 Td4 2.2 Wiper Stalk f5 pcb.jpg

Aby nakonec nebyl problém v řídící elektronice za pojistkovkou v kabině, třeba voda....
Sloužim lidu! :-)
Land Rover Defender 110SW 300Tdi 1998
ex-služební Land Rover Defender 2,4TDCi Puma 2008

Freelnder 2
Příspěvky: 7
Registrován: 03 zář 2021 19:19
tel.: 723509480
auto: Freelander 2

Re: Nefunkční sterace

#7 Příspěvek od Freelnder 2 » 27 srp 2023 16:41

Díky, vyzkousim. Až prijdu na problém, dam vědět. Pro inspiraci dalších smolaru jako ja🤣🖖🏾

Uživatelský avatar
Tazik1992
Příspěvky: 1429
Registrován: 10 čer 2014 22:59
tel.: 602875958
auto: Defík
Bydliště: Holýšov,Kaznějov

Re: Nefunkční sterace

#8 Příspěvek od Tazik1992 » 27 srp 2023 22:07

Zkus kdyžtak pohledat na zahraničních fórech, Free2 má i svoje samostatné weby jako např. zde: https://www.freel2.com/forum/index.php
Tady na fóru se tuším stěrače F2 taky řešily, ale většinou to končí motorkem, tadle závada je nějaký spešl. Mě se nechce moc věřit, že by todle udělala porouchaná páčka(y). Já bych asi podezříval tu rozvodnici s pojistkama a řídícím modulem před spolujezdcem - kabely, konektory, vlhko,..
F2 passenger fusebox ECM.jpg
F2 passenger fusebox ECM.jpg (71.36 KiB) Zobrazeno 3426 x

Držím palce
Sloužim lidu! :-)
Land Rover Defender 110SW 300Tdi 1998
ex-služební Land Rover Defender 2,4TDCi Puma 2008

Uživatelský avatar
Tazik1992
Příspěvky: 1429
Registrován: 10 čer 2014 22:59
tel.: 602875958
auto: Defík
Bydliště: Holýšov,Kaznějov

Re: Nefunkční sterace

#9 Příspěvek od Tazik1992 » 27 srp 2023 23:31

Ještě by se dala udělat jedna jednoduchá věc - odpojit aspoň na 5-10minut baterii. Jestli je to divné chování stěračů následek nějakého "pomanutí mysli" ŘJ, tak by jí takový tvrdý reset mohl pomoct. Nevím teda jak je F2 choulostivý na odpojení (výmaz hodin, kódu rádia, alarm..), ale v uživ. návodu je výměna aku pořád ještě popsaná procedůra, takže to pro majitele není "zakázaná" činnost.
Sloužim lidu! :-)
Land Rover Defender 110SW 300Tdi 1998
ex-služební Land Rover Defender 2,4TDCi Puma 2008

Freelnder 2
Příspěvky: 7
Registrován: 03 zář 2021 19:19
tel.: 723509480
auto: Freelander 2

Re: Nefunkční sterace

#10 Příspěvek od Freelnder 2 » 30 srp 2023 16:11

Tak to naštěstí bylo jen celým spinacem, vyměnil jsem kus za kus a jezdím dal, muzu se těšit na další unikátní poruchu 🤣

Uživatelský avatar
Tazik1992
Příspěvky: 1429
Registrován: 10 čer 2014 22:59
tel.: 602875958
auto: Defík
Bydliště: Holýšov,Kaznějov

Re: Nefunkční sterace

#11 Příspěvek od Tazik1992 » 30 srp 2023 21:13

Tak dobrý :yes
O F2 se říká, že je to nejspolehlivější z rodu Land Roverů, tak snad těch poruch tolik nebude....
Sloužim lidu! :-)
Land Rover Defender 110SW 300Tdi 1998
ex-služební Land Rover Defender 2,4TDCi Puma 2008

Odpovědět