
Přípravek na vyndání převodovky
Moderátor: Acon
Přípravek na vyndání převodovky
Měl bych dotaz na přípravek pro vyndání automatu ZF 4HP22 s motorem 300tdi viz obrázek níže. Je nutné vyrábět tento přípravek, nebo to jde i bez něj. Abych byl upřímnej, vůbec jsem nepochopil jak a k čemu se přípravek přidělává, protože při pohledu na spodek převodovky mi to prostě nikam nepasuje. 

Deformační zóna Defendera je vozidlo stojící před ním.
- Honza_offroad
- Příspěvky: 613
- Registrován: 15 zář 2008 12:16
- tel.: 724 007 163
- auto: D2,D3,Def portal
- Bydliště: Pragl
- Kontaktovat uživatele:
Re: Přípravek na vyndání převodovky
to je, podle me, na zafixovani menice, kdyz uz je prevodovka venku...
Sent from my iPhone using Tapatalk
Sent from my iPhone using Tapatalk
Prodej doplňků pro 4x4, profi Diagnostika LR, individuální úpravy výkonu, immo, omezovačů, EGR a pod...
www.toomich.cz www.adventure-land.cz
www.toomich.cz www.adventure-land.cz
- VencaZE
- Příspěvky: 3612
- Registrován: 17 kvě 2008 14:51
- tel.: 602 550 993
- auto: 110HT, S2A 88, G66
- Bydliště: Brod nad Tichou, okr. Tachov
- Kontaktovat uživatele:
Re: Přípravek na vyndání převodovky
Nebo jestli to není jen na demontáž Borga..
Urbanovi Pneu&Cars- Servis Land Rover, diagnostika, autoelektro, pneuservis a jiné.. urbanovipneucars@email.cz
WWW: http://www.landroverforum.cz/forum/view ... 12&t=26864
Proč bychom se dřeli, když můžeme spálit trochu nafty. OK1LRD
WWW: http://www.landroverforum.cz/forum/view ... 12&t=26864
Proč bychom se dřeli, když můžeme spálit trochu nafty. OK1LRD
Re: Přípravek na vyndání převodovky
Tak teď jsem z toho volaký zmetěný
Tohle jsem našel ve Workshopu pro DI, sice anglicky prd rozumím, ale překladač mi to tak přeložil.

Deformační zóna Defendera je vozidlo stojící před ním.
- VencaZE
- Příspěvky: 3612
- Registrován: 17 kvě 2008 14:51
- tel.: 602 550 993
- auto: 110HT, S2A 88, G66
- Bydliště: Brod nad Tichou, okr. Tachov
- Kontaktovat uživatele:
Re: Přípravek na vyndání převodovky
Jo pardon, ten automat jsem si spojil rovnou s P38.
Ten nos s dirama nahoru se prišroubuje nejspíš na místo odkud demontuješ štít ruční brzdy. Ale je to nejspíš jen na přídavku protože pohromadě s hlavní převodovkou to nebude vyvážený. Ale jinak nevím, mám pro tyhle účely vlastní konstrukci- platli rozvrtanou zrovna podle toho co vyndavám a pojízdný hever v montážní jámě.
Ten nos s dirama nahoru se prišroubuje nejspíš na místo odkud demontuješ štít ruční brzdy. Ale je to nejspíš jen na přídavku protože pohromadě s hlavní převodovkou to nebude vyvážený. Ale jinak nevím, mám pro tyhle účely vlastní konstrukci- platli rozvrtanou zrovna podle toho co vyndavám a pojízdný hever v montážní jámě.
Urbanovi Pneu&Cars- Servis Land Rover, diagnostika, autoelektro, pneuservis a jiné.. urbanovipneucars@email.cz
WWW: http://www.landroverforum.cz/forum/view ... 12&t=26864
Proč bychom se dřeli, když můžeme spálit trochu nafty. OK1LRD
WWW: http://www.landroverforum.cz/forum/view ... 12&t=26864
Proč bychom se dřeli, když můžeme spálit trochu nafty. OK1LRD
Re: Přípravek na vyndání převodovky
To jsem teda z toho jelen. Na samotnou přídavku jsem vyrobil tohle.
Neudělal bys mi fotku toho tvého přípravku, abych měl alespoň představu jak to má vypadat.
Neudělal bys mi fotku toho tvého přípravku, abych měl alespoň představu jak to má vypadat.
Deformační zóna Defendera je vozidlo stojící před ním.
- VencaZE
- Příspěvky: 3612
- Registrován: 17 kvě 2008 14:51
- tel.: 602 550 993
- auto: 110HT, S2A 88, G66
- Bydliště: Brod nad Tichou, okr. Tachov
- Kontaktovat uživatele:
Re: Přípravek na vyndání převodovky
Ten můj "přípravek" je jen čtvercová platle cca 160x160, tloušťky 10 se spoustou děr, a naklonitelná na šroubu do požadovaného úhlu. Šroub prochází pístem. Zdvih pístu je asi 60cm. Je to podobný jako univerzál přípravky na demontáže převodovek, akorát že mě to jezdí v jámě.
Urbanovi Pneu&Cars- Servis Land Rover, diagnostika, autoelektro, pneuservis a jiné.. urbanovipneucars@email.cz
WWW: http://www.landroverforum.cz/forum/view ... 12&t=26864
Proč bychom se dřeli, když můžeme spálit trochu nafty. OK1LRD
WWW: http://www.landroverforum.cz/forum/view ... 12&t=26864
Proč bychom se dřeli, když můžeme spálit trochu nafty. OK1LRD
-
- Příspěvky: 15302
- Registrován: 06 lis 2008 23:15
- tel.: 608 600 360
- auto: D2, Def 130
- Bydliště: Olomouc
Re: Přípravek na vyndání převodovky
Na D2 jsem přídavnou převodovku spolu s manuální převodovkou sundával v kuse z vrchu. U Defa to jde díky demontovatelnému krytu pod cubby boxem ještě lépe. Uvázat na kurtu, malej hup-cuk, dvě kozy a mezi ně dlouhou trubku. Jeden je pod autem a opatrně převodovku přidržuje, aby se neotáčela a kontroluje co se kde zapomnělo odšroubovat nebo odpojit. A druhej to shora pomalu pouští dolů.
Drobek - Discovery II TD5 pro ženu, Blufínek - Defender 130 TD5 na ježdění s dětma a mě zbyl už zase jenom Ford Mondeo
Re: Přípravek na vyndání převodovky
Už jsem koupil zvedák do jámy, ale jen se bojím abych to neměl blbě vyvážený, aby se to nezhouplo.
Deformační zóna Defendera je vozidlo stojící před ním.
-
- Příspěvky: 15302
- Registrován: 06 lis 2008 23:15
- tel.: 608 600 360
- auto: D2, Def 130
- Bydliště: Olomouc
Re: Přípravek na vyndání převodovky
Tak si to pro začátek omotej kurtama na obou koncích okolo rámu - spustíš to na ně a potom budeš šoupat zvedákem a hledat vodnou pozici na zvedáku.
Drobek - Discovery II TD5 pro ženu, Blufínek - Defender 130 TD5 na ježdění s dětma a mě zbyl už zase jenom Ford Mondeo
- Land Jirka
- Příspěvky: 3592
- Registrován: 29 lis 2006 18:40
- tel.: +420731913431
- auto: Land Rover
- Bydliště: Boskovice
- Kontaktovat uživatele:
Re: Přípravek na vyndání převodovky
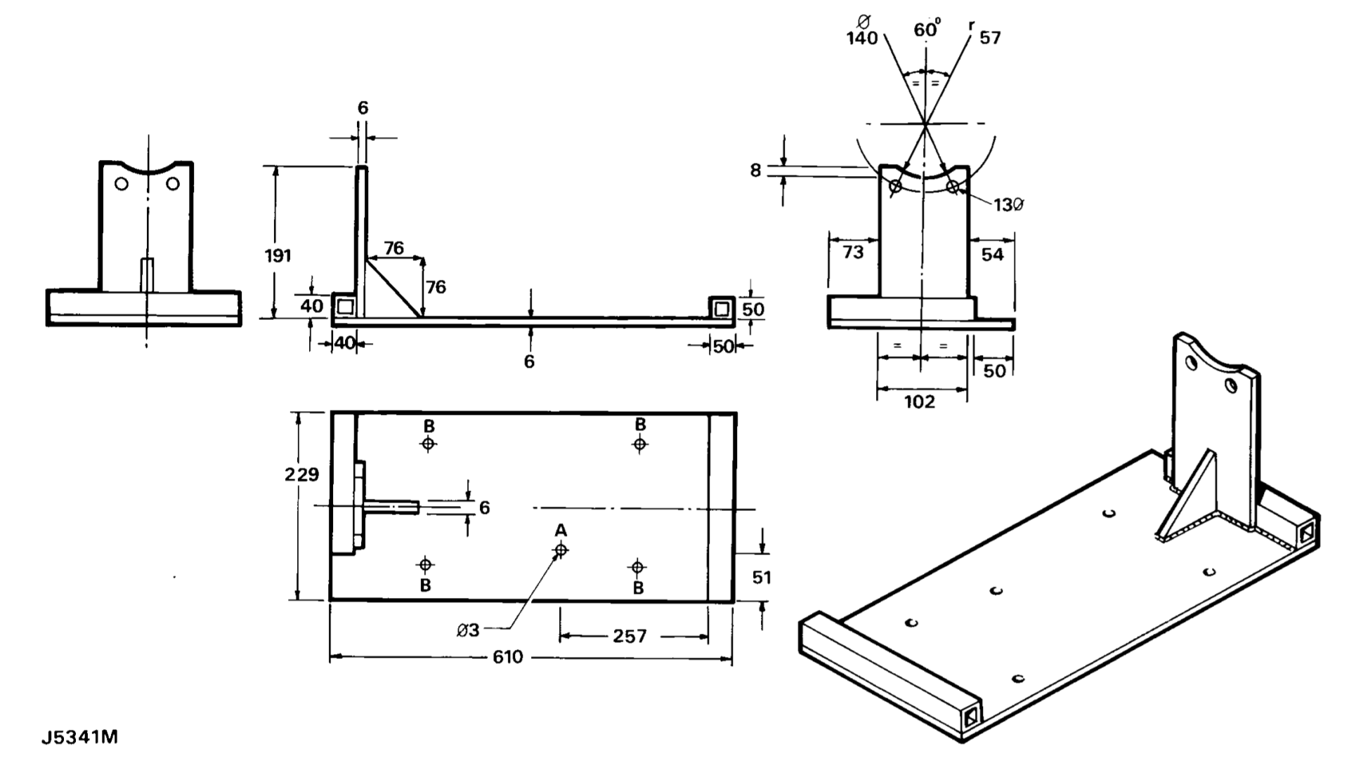
ty přípravky z obrázků mám oba dva udělané podle těchto výkresů už minimálně deset let.
ten na přídavku pasuje bezvadně
přípravek na hlavní převodovku jsem trošku upravoval
ten na přídavku pasuje bezvadně
přípravek na hlavní převodovku jsem trošku upravoval
Land Rover 4x4 SERVIS, PRODEJ DÍLŮ LAND ROVER, DIAGNOSTIKA, OPRAVY A ÚPRAVY LAND ROVER, RENOVACE VETERÁNŮ
Tel: 731913431
Tel: 731913431
Re: Přípravek na vyndání převodovky
A za co to tam u té hlavní drží? V tom plechu co je na stojato jsou dvě díry, k čemu?
Deformační zóna Defendera je vozidlo stojící před ním.
- Land Jirka
- Příspěvky: 3592
- Registrován: 29 lis 2006 18:40
- tel.: +420731913431
- auto: Land Rover
- Bydliště: Boskovice
- Kontaktovat uživatele:
Re: Přípravek na vyndání převodovky
Ty díry jsem upravoval a používám jen jednu dole vpravo vzadu, kde je přišroubovaná rozvodovkaa vepředu mám svisle navařené jeklíky, kterýma to podepírám pod zvonem
Děláme to na zvedáku
Já ty přípravky mám přišroubované na plotně, která jde ve dvou osách seřizovat.
Krásně jde sladit úhel převodovky s motorem a tím druhým šroubem si ladíš podélné otáčení převodovky aby šly štefty do děr.
Děláme to na zvedáku
Já ty přípravky mám přišroubované na plotně, která jde ve dvou osách seřizovat.
Krásně jde sladit úhel převodovky s motorem a tím druhým šroubem si ladíš podélné otáčení převodovky aby šly štefty do děr.

- Přílohy
-
- LGBY1000_080_psd.jpg (26.96 KiB) Zobrazeno 5894 x
-
- LGBY1000_010_psd.jpg (18.36 KiB) Zobrazeno 5894 x
Land Rover 4x4 SERVIS, PRODEJ DÍLŮ LAND ROVER, DIAGNOSTIKA, OPRAVY A ÚPRAVY LAND ROVER, RENOVACE VETERÁNŮ
Tel: 731913431
Tel: 731913431
- Land Jirka
- Příspěvky: 3592
- Registrován: 29 lis 2006 18:40
- tel.: +420731913431
- auto: Land Rover
- Bydliště: Boskovice
- Kontaktovat uživatele:
Re: Přípravek na vyndání převodovky
našel jsem i fotku rozvodovky
Land Rover 4x4 SERVIS, PRODEJ DÍLŮ LAND ROVER, DIAGNOSTIKA, OPRAVY A ÚPRAVY LAND ROVER, RENOVACE VETERÁNŮ
Tel: 731913431
Tel: 731913431
Re: Přípravek na vyndání převodovky
Zvedák mám jen snaklápěním na jednu stranu, ten tvůj z Unimaxu zrovna neměli. Vyhodím přídavku a na hlavní převodovku něco spáchám až podle potřeby.
Deformační zóna Defendera je vozidlo stojící před ním.