Bude to asi spise dotaz na (auto)elektrikare....nastartuju auto, zapnu ventilator na plno a normalne funguje a po chvilce (tak 1 minuta zhruba) zacne kolisat, az kolikrat spise ani nejde nebo si fouka fakt nepatrne. Ale je poznat, ze ty otacky kolisaji, ale uz nejde nikdy na plno..spise tak na 10-20% maximalnich otacek.
Kdyz pak auto vypnu a nastartuju po chvili znovu, tak opet ze zacatku normalni plny tocky a po chvilce opet to same.
Asi to bude hovadina, ale ja se v elektrice nevyznam...
(Alternator dobiji, otacky ventilatoru kolisaji bez vlivu otacek motoru.)
Vnitrni ventilator - kolisaji otacky.
Moderátor: Safraporte
Vnitrni ventilator - kolisaji otacky.
Freelander 1 2,0 Tcie, 5 dv. rok 1998
Volvo XC90 2,5 T (LPG) rok 2005
Honda Civic 1,5i16V rok 1993
Honda CBR954 RR, Jawa 250, Parez (predrenovacni stav bohuzel bez TP)
Ryba je nejslusnejsi tvor na zemi....NEBERE A NEBERE :-)
Volvo XC90 2,5 T (LPG) rok 2005
Honda Civic 1,5i16V rok 1993
Honda CBR954 RR, Jawa 250, Parez (predrenovacni stav bohuzel bez TP)
Ryba je nejslusnejsi tvor na zemi....NEBERE A NEBERE :-)
- Tazik1992
- Příspěvky: 1429
- Registrován: 10 čer 2014 22:59
- tel.: 602875958
- auto: Defík
- Bydliště: Holýšov,Kaznějov
Re: Vnitrni ventilator - kolisaji otacky.
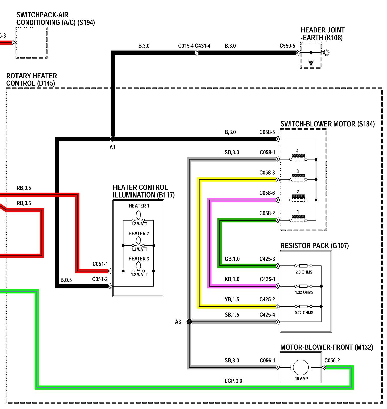
Může to dělat špatný kontakt, který se odběrem na plný luft vyhřeje a začne špatně vést proud. Při max fuku to bere (dle schémat ) skoro 20A. Může být špatný kontakt na přívodu od kostry, na přepínači intenzity fuku nebo i v samotném motoru větráku. Když to dělá při max stupni, tak je asi zatím mimo podezření odporový blok, protože ten je v tomdle případě vyřazený.
Začni tím nejjednodušším - zkontroluj pojistku č.4 (25A) v pojistkovce v kabině. Jestli není zoxidovaná, posviť do její patice jestli není opálená, vyhřátá..., kdyžtak aspoň preventivně prostříkni "kontaktolem".
Daly by se samozřejmě proměřit Ohmmetrem obě cesty - od Plus i od kostry směrem k motoru, ale to nevim jestli je pro Tebe.
Zjednodušeně bych pokračoval motorem - odpojit od něj konektor a připojit jej přes dráty na přímo k baterce, jestli se to projeví taky. Doporučuju i na tendle pokus vložit do přívodu, byť improvizovaně, pojistku. Co kdyby.
A nebo nechat konektor připojený a jen přivést = napíchnout kostru přímo. Tím se bypassne origo kostra, přepínač i odpory. Zelený s fialovým proužkem je přívod + od pojistky, takže kostra se kdyžtak musí píchnout do šedého s černým proužkem.
A propo, pylový filtr máš čistý ?
Začni tím nejjednodušším - zkontroluj pojistku č.4 (25A) v pojistkovce v kabině. Jestli není zoxidovaná, posviť do její patice jestli není opálená, vyhřátá..., kdyžtak aspoň preventivně prostříkni "kontaktolem".
Daly by se samozřejmě proměřit Ohmmetrem obě cesty - od Plus i od kostry směrem k motoru, ale to nevim jestli je pro Tebe.
Zjednodušeně bych pokračoval motorem - odpojit od něj konektor a připojit jej přes dráty na přímo k baterce, jestli se to projeví taky. Doporučuju i na tendle pokus vložit do přívodu, byť improvizovaně, pojistku. Co kdyby.
A nebo nechat konektor připojený a jen přivést = napíchnout kostru přímo. Tím se bypassne origo kostra, přepínač i odpory. Zelený s fialovým proužkem je přívod + od pojistky, takže kostra se kdyžtak musí píchnout do šedého s černým proužkem.
A propo, pylový filtr máš čistý ?
Sloužim lidu! :-)
Land Rover Defender 110SW 300Tdi 1998
ex-služební Land Rover Defender 2,4TDCi Puma 2008
Land Rover Defender 110SW 300Tdi 1998
ex-služební Land Rover Defender 2,4TDCi Puma 2008
Re: Vnitrni ventilator - kolisaji otacky.
No, vzhledem k tomu, ze startovani uz mam taky natvrdo drat z baterie primo do starteru a tlacitko na startovani schovane, tak holt asi bude i vetrak natvrdo (pripadne teda pres pojistku).
Odzkousim moturek a uvidime. Nemam garaz, tak me to ceka delat pod sirakem.
Pylovy filtr ja nemam. Zrovna nedavno jsem rozebral pul palubky a pak az jsem patral tady po odkazech a prisel na to, ze ty prvni freelandery ho nemaji. Je to tedy divny, ale kdyz kouknu na navody na youtube apod. tak ja to tam mam uplne jinak...
Diky za rady!
Odzkousim moturek a uvidime. Nemam garaz, tak me to ceka delat pod sirakem.
Pylovy filtr ja nemam. Zrovna nedavno jsem rozebral pul palubky a pak az jsem patral tady po odkazech a prisel na to, ze ty prvni freelandery ho nemaji. Je to tedy divny, ale kdyz kouknu na navody na youtube apod. tak ja to tam mam uplne jinak...
Diky za rady!
Freelander 1 2,0 Tcie, 5 dv. rok 1998
Volvo XC90 2,5 T (LPG) rok 2005
Honda Civic 1,5i16V rok 1993
Honda CBR954 RR, Jawa 250, Parez (predrenovacni stav bohuzel bez TP)
Ryba je nejslusnejsi tvor na zemi....NEBERE A NEBERE :-)
Volvo XC90 2,5 T (LPG) rok 2005
Honda Civic 1,5i16V rok 1993
Honda CBR954 RR, Jawa 250, Parez (predrenovacni stav bohuzel bez TP)
Ryba je nejslusnejsi tvor na zemi....NEBERE A NEBERE :-)