RRC dráty a konektory- k čemu co patří?
Moderátor: Acon
- merlin
- Příspěvky: 862
- Registrován: 02 led 2009 00:16
- tel.: 602620817
- auto: RRC 2door, RR 4,4
- Bydliště: Horní Staré Buky
Re: RRC dráty a konektory- k čemu co patří?
Díky,
Rozdělal jsem dveře a vedou tam jenom dráty k reproduktorům. Našel jsem v rave, že svazek na ovládání zrcátek lze připojit do hlavního svazku, takže to asi půjde dodělat, jenom najít ten volný a správný konektor.
Horší to je s konektorama v motorové části. Tam se mi to nedaří ani prozvonit či rozsvítit nějakou kontrolku.
Rozdělal jsem dveře a vedou tam jenom dráty k reproduktorům. Našel jsem v rave, že svazek na ovládání zrcátek lze připojit do hlavního svazku, takže to asi půjde dodělat, jenom najít ten volný a správný konektor.
Horší to je s konektorama v motorové části. Tam se mi to nedaří ani prozvonit či rozsvítit nějakou kontrolku.
RRC 2 door, RR L322 4.4 V8 JAG
Tailored & powered by Merlin
Tailored & powered by Merlin
- Mirko
- Příspěvky: 2900
- Registrován: 18 lis 2008 08:35
- auto: RRC´s
- Bydliště: Brno
- Kontaktovat uživatele:
Re: RRC dráty a konektory- k čemu co patří?
Je opět otázka, jestli dvoudveřáky měli elektricky ovládané zrcátka v tom roce, nebo jestli je to jen sjednocená kabeláž s 4-door. S těmi konektory u motoru stále zastávám názor se tím teď netrápit a dat tam V8 nejlépe včetně kompletní kabeláže nebo s karburátorem.
Ještě taková technická:
Mě by mi pomohlo, kdyby se sloučilo tvoje původní a toto vlákno, protože jsou pak všechny info o tom voze pohromadě, takto pokaždé rozklikám toto vlákno, pak "pana Klobouka" pak inzeráty k tvému vozu, kde jsou fotky...
Stejně všichni relevantní to budou sledovat
Ještě taková technická:
Mě by mi pomohlo, kdyby se sloučilo tvoje původní a toto vlákno, protože jsou pak všechny info o tom voze pohromadě, takto pokaždé rozklikám toto vlákno, pak "pana Klobouka" pak inzeráty k tvému vozu, kde jsou fotky...
Stejně všichni relevantní to budou sledovat
- merlin
- Příspěvky: 862
- Registrován: 02 led 2009 00:16
- tel.: 602620817
- auto: RRC 2door, RR 4,4
- Bydliště: Horní Staré Buky
Re: RRC dráty a konektory- k čemu co patří?
Pls admin- jestli to jde spojit dvě vlákna
RRC 2 door, RR L322 4.4 V8 JAG
Tailored & powered by Merlin
Tailored & powered by Merlin
- merlin
- Příspěvky: 862
- Registrován: 02 led 2009 00:16
- tel.: 602620817
- auto: RRC 2door, RR 4,4
- Bydliště: Horní Staré Buky
Re: RRC dráty a konektory- k čemu co patří?
No nic,
Další konektor, tentokrát po výměně LT77 za 4HP22. Na které piny zapojit dva dráty zpátečky z čidla LT77 do kulatého konektoru 4HP22? A musím zapojit i ty ostatní? Resp k čemu jsou a co ovládají nebo signalizují?
Sent from my iPad using Tapatalk HD
Další konektor, tentokrát po výměně LT77 za 4HP22. Na které piny zapojit dva dráty zpátečky z čidla LT77 do kulatého konektoru 4HP22? A musím zapojit i ty ostatní? Resp k čemu jsou a co ovládají nebo signalizují?
Sent from my iPad using Tapatalk HD
RRC 2 door, RR L322 4.4 V8 JAG
Tailored & powered by Merlin
Tailored & powered by Merlin
- merlin
- Příspěvky: 862
- Registrován: 02 led 2009 00:16
- tel.: 602620817
- auto: RRC 2door, RR 4,4
- Bydliště: Horní Staré Buky
Re: RRC dráty a konektory- k čemu co patří?
Kdo měnil LT77 za 4hp22? To jste to zapojení nikdo neřešil?
Sent from my iPad using Tapatalk HD
Sent from my iPad using Tapatalk HD
RRC 2 door, RR L322 4.4 V8 JAG
Tailored & powered by Merlin
Tailored & powered by Merlin
Re: RRC dráty a konektory- k čemu co patří?
U mě to tak bylo, ale jednak jsem si to nedělal sám a pak také od té doby uplynulo skoro 5 let, takže se obávám, že už si to možná nikdo nepamatuje.
Aktuálně: 1979 SIII 88" 2,25 l Petrol a 1983 two-door Range Rover V8; Dříve navíc: 1969 SIIa 88" 2,5 l Petrol, 2003 Discovery 2 TD5, 2005 Discovery 3 TDV6 S, 2011 Discovery 4 SDV6 SE, 2016 Discovery 4 SDV6 HSE a 2021 Defender 110 SE D250
- merlin
- Příspěvky: 862
- Registrován: 02 led 2009 00:16
- tel.: 602620817
- auto: RRC 2door, RR 4,4
- Bydliště: Horní Staré Buky
Re: RRC dráty a konektory- k čemu co patří?
Našel jsem schéma 7pinový, ale já mám 5tipinový konektor
Ale přes tapatalk mi sem nejde dat to schéma
Sent from my iPad using Tapatalk HD
Ale přes tapatalk mi sem nejde dat to schéma
Sent from my iPad using Tapatalk HD
RRC 2 door, RR L322 4.4 V8 JAG
Tailored & powered by Merlin
Tailored & powered by Merlin
- merlin
- Příspěvky: 862
- Registrován: 02 led 2009 00:16
- tel.: 602620817
- auto: RRC 2door, RR 4,4
- Bydliště: Horní Staré Buky
Re: RRC dráty a konektory- k čemu co patří?
Nemá někdo zbytečnej konektor i s kusama kabliků co jde do konektoru na 4hp22?
Sent from my iPad using Tapatalk HD
Sent from my iPad using Tapatalk HD
RRC 2 door, RR L322 4.4 V8 JAG
Tailored & powered by Merlin
Tailored & powered by Merlin
- merlin
- Příspěvky: 862
- Registrován: 02 led 2009 00:16
- tel.: 602620817
- auto: RRC 2door, RR 4,4
- Bydliště: Horní Staré Buky
Re: RRC dráty a konektory- k čemu co patří?
To všichni máte ten 7mi pinový? Rád bych už zapojil tu zpátečku.
Sent from my iPad using Tapatalk HD
Sent from my iPad using Tapatalk HD
RRC 2 door, RR L322 4.4 V8 JAG
Tailored & powered by Merlin
Tailored & powered by Merlin
- merlin
- Příspěvky: 862
- Registrován: 02 led 2009 00:16
- tel.: 602620817
- auto: RRC 2door, RR 4,4
- Bydliště: Horní Staré Buky
Re: RRC dráty a konektory- k čemu co patří?
Dle Eliotta ten 5ti pinový konektor na 4hp22 byl na RRC 1990 3.9i.
Nemá někdo dárce konektoru?
Sent from my iPad using Tapatalk HD
Nemá někdo dárce konektoru?
Sent from my iPad using Tapatalk HD
RRC 2 door, RR L322 4.4 V8 JAG
Tailored & powered by Merlin
Tailored & powered by Merlin
- merlin
- Příspěvky: 862
- Registrován: 02 led 2009 00:16
- tel.: 602620817
- auto: RRC 2door, RR 4,4
- Bydliště: Horní Staré Buky
Re: RRC dráty a konektory- k čemu co patří?
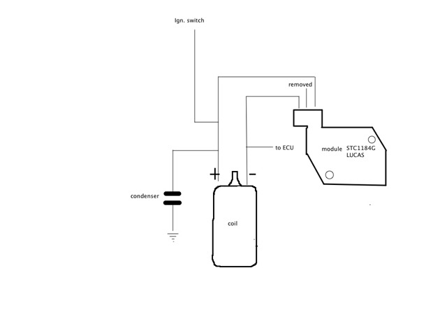
Pls radu zapojení 3.5V8 amplifier na rozdělovači, 3 pin, který je + a - a hlavně kam
Podle schématu co mám to nepoznám
Sent from my iPad using Tapatalk HD
Podle schématu co mám to nepoznám
Sent from my iPad using Tapatalk HD
RRC 2 door, RR L322 4.4 V8 JAG
Tailored & powered by Merlin
Tailored & powered by Merlin
- merlin
- Příspěvky: 862
- Registrován: 02 led 2009 00:16
- tel.: 602620817
- auto: RRC 2door, RR 4,4
- Bydliště: Horní Staré Buky
Re: RRC dráty a konektory- k čemu co patří?
Třeba se to někomu bude hodit při konverzi zapalování
Sent from my iPad using Tapatalk HD
Sent from my iPad using Tapatalk HD
RRC 2 door, RR L322 4.4 V8 JAG
Tailored & powered by Merlin
Tailored & powered by Merlin
- Mirko
- Příspěvky: 2900
- Registrován: 18 lis 2008 08:35
- auto: RRC´s
- Bydliště: Brno
- Kontaktovat uživatele:
Re: RRC dráty a konektory- k čemu co patří?
Prodávají se k tomu když tak i přímo konverzní kabely z 2pinového konektoru na 3pin modul, ale slouží to úplně stejně, jako ,když si to upravíš sám, del tvého schématu.
- merlin
- Příspěvky: 862
- Registrován: 02 led 2009 00:16
- tel.: 602620817
- auto: RRC 2door, RR 4,4
- Bydliště: Horní Staré Buky
Re: RRC dráty a konektory- k čemu co patří?
To ano, pokud si měl 2pinový. Ale já měl starý typ jen jeden drát z - cívky přímo do rozdělovače. Ale teď už to fachčí na bezkontaktní rozdělovač. Jenom amplifier jsem musel přemístit k cívce neboť u rozdělovače se nevešel kvůlivá držáku servo pumpy.
Sent from my iPad using Tapatalk HD
Sent from my iPad using Tapatalk HD
RRC 2 door, RR L322 4.4 V8 JAG
Tailored & powered by Merlin
Tailored & powered by Merlin
- merlin
- Příspěvky: 862
- Registrován: 02 led 2009 00:16
- tel.: 602620817
- auto: RRC 2door, RR 4,4
- Bydliště: Horní Staré Buky
Re: RRC dráty a konektory- k čemu co patří?
Hledal jsem hledal ale marně, neví někdo co za vypínače mi chybí? Kabeláž s konektorama tam mám. Případně nabídněte k odkupu.
Sent from my iPad using Tapatalk HD
Sent from my iPad using Tapatalk HD
RRC 2 door, RR L322 4.4 V8 JAG
Tailored & powered by Merlin
Tailored & powered by Merlin
Re: RRC dráty a konektory- k čemu co patří?
to zalezalo od vybavy a rocnika...napr. predne hmlovky, vyhrievanie celneho skla, tempomat...
Range Rover Classic 3.9V8EFI, plus zopar drobnosti:)
Range Rover P38 2.5TDS
Range Rover P38 2.5TDS
- Mirko
- Příspěvky: 2900
- Registrován: 18 lis 2008 08:35
- auto: RRC´s
- Bydliště: Brno
- Kontaktovat uživatele:
Re: RRC dráty a konektory- k čemu co patří?
Přesně jak píše teslo, v případě, že to vybavení nebylo, tak se tam dávali od výrobce ty záslepky, co tam máš.
- merlin
- Příspěvky: 862
- Registrován: 02 led 2009 00:16
- tel.: 602620817
- auto: RRC 2door, RR 4,4
- Bydliště: Horní Staré Buky
Re: RRC dráty a konektory- k čemu co patří?
Jde mi hlavně o mlhovky přední a přídavné dálkové, konektory u masky jsou bez U
Sent from my iPad using Tapatalk HD
Sent from my iPad using Tapatalk HD
RRC 2 door, RR L322 4.4 V8 JAG
Tailored & powered by Merlin
Tailored & powered by Merlin
- merlin
- Příspěvky: 862
- Registrován: 02 led 2009 00:16
- tel.: 602620817
- auto: RRC 2door, RR 4,4
- Bydliště: Horní Staré Buky
Re: RRC dráty a konektory- k čemu co patří?
Nepozná někdo ke kterejm vypinačům jsou tyto 3 konektory? Pak tam jsou dva samostatné, na jednom jsou S a na druhém D
Sent from my iPad using Tapatalk HD
Sent from my iPad using Tapatalk HD
RRC 2 door, RR L322 4.4 V8 JAG
Tailored & powered by Merlin
Tailored & powered by Merlin
- merlin
- Příspěvky: 862
- Registrován: 02 led 2009 00:16
- tel.: 602620817
- auto: RRC 2door, RR 4,4
- Bydliště: Horní Staré Buky
Re: RRC dráty a konektory- k čemu co patří?
Přichází zima, tak začíná čas na dlouhé řešení...
Jak je to tedy s těmi konektory?
Sent from my iPad using Tapatalk HD
Jak je to tedy s těmi konektory?
Sent from my iPad using Tapatalk HD
RRC 2 door, RR L322 4.4 V8 JAG
Tailored & powered by Merlin
Tailored & powered by Merlin