D2 a horkovzdušné webasto - kam s ním????
Moderátor: Miky_CZ
-
MadTom
- Příspěvky: 15387
- Registrován: 06 lis 2008 23:15
- tel.: 608 600 360
- auto: D2, Def 130
- Bydliště: Olomouc
Re: D2 a horkovzdušné webasto - kam s ním????
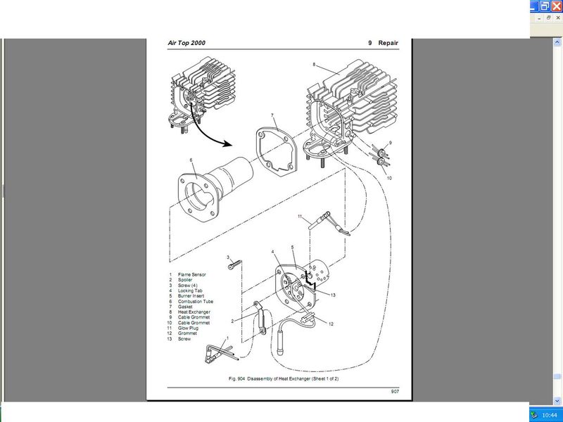
Nerozumím už tomu prvnímu co jsi napsal - webasto je na levém obrázku namalované ve vodorovné poloze, se sáním kabinového vzduchu vlevo a výdechem teplého vzduchu vpravo. Když ho budeme chtít montovat jinak než vodorovně, tak střed otáčení je na obrázku uprostřed webasta - je tam naznačený kříž - dvě osy. Dále je tam tlustou šipkou po směru hodinových ručiček naznačeno, jak se bude otáčet, takže výdechem teplého vzduchu směrem dolů a sáním kabinového vzduchu naopak směrem nahoru.
Teda aspoň já takto ten obrázek chápu.
A co se týče spalovacího vzduchu - tak sání i výfuk při vodorovné poloze mohou jít pod auto. U offroadu to není moc dobrej nápad - aspoň u sání - může se tam dostat voda. Z výfukem se moc dělat nedá, ten musí směřovat dolů - kondenzát tam vždy bude a nesmí se hromadit, ale pouze volně odtéct. I tlumič na to má dole dírku.
Ale pokud je webasto svisle, tak jak jsem popsal na začátku, tak sání spalovacího vzduchu jsem zvrchu a výfuk jde dolů. Sání natáhnu v klidu někam nahoru, v mém případě za koncové světlo, a na konci sacího husího krku udělám 180° otočku, takové obrácené U, aby dovnitř nemohlo natéct. Originál sací hadice je hliníková s papírovou výstelkou - není dělaná na odtok kondenzátu, kterej bude nejspíš i korozivní. A výfuk zatočím v klidu dolů pod auto, aby kondenzát vytekl. Výfuková hadice je nerezová dvojitá - je na to dělaná.
Vzduch pro plamen je nuceně hnanej ventilátorem.
Doporučuju přečíst i servisní manuál - je tam docela dobře popsaná funkce a požadavky na jednotlivé části instalace. Včetně odtoku kondenzátu z výfuku.
Teda aspoň já takto ten obrázek chápu.
A co se týče spalovacího vzduchu - tak sání i výfuk při vodorovné poloze mohou jít pod auto. U offroadu to není moc dobrej nápad - aspoň u sání - může se tam dostat voda. Z výfukem se moc dělat nedá, ten musí směřovat dolů - kondenzát tam vždy bude a nesmí se hromadit, ale pouze volně odtéct. I tlumič na to má dole dírku.
Ale pokud je webasto svisle, tak jak jsem popsal na začátku, tak sání spalovacího vzduchu jsem zvrchu a výfuk jde dolů. Sání natáhnu v klidu někam nahoru, v mém případě za koncové světlo, a na konci sacího husího krku udělám 180° otočku, takové obrácené U, aby dovnitř nemohlo natéct. Originál sací hadice je hliníková s papírovou výstelkou - není dělaná na odtok kondenzátu, kterej bude nejspíš i korozivní. A výfuk zatočím v klidu dolů pod auto, aby kondenzát vytekl. Výfuková hadice je nerezová dvojitá - je na to dělaná.
Vzduch pro plamen je nuceně hnanej ventilátorem.
Doporučuju přečíst i servisní manuál - je tam docela dobře popsaná funkce a požadavky na jednotlivé části instalace. Včetně odtoku kondenzátu z výfuku.
Drobek - Discovery II TD5 pro ženu, Blufínek - Defender 130 TD5 na ježdění s dětma a mě zbyl už zase jenom Ford Mondeo
Re: D2 a horkovzdušné webasto - kam s ním????
No podle mě nemáš otočit tím obrázkem dál ve smyslu šipky ze stávající (vodorovné)polohy ale ta šipka definuje výseč, ve které se má topení pohybovat. Nyní se nachází na konci šipky. Otoč jím zpět na začátek šipky.
Když budeš mít topení výdechem dolů, jak máš, spalovací komora bude tvořit hrnec, který má výfuk (jen vůči té komoře) nahoře a proto neodteče kondenzát.
Když budeš mít topení výdechem dolů, jak máš, spalovací komora bude tvořit hrnec, který má výfuk (jen vůči té komoře) nahoře a proto neodteče kondenzát.
-
MadTom
- Příspěvky: 15387
- Registrován: 06 lis 2008 23:15
- tel.: 608 600 360
- auto: D2, Def 130
- Bydliště: Olomouc
Re: D2 a horkovzdušné webasto - kam s ním????
No já si myslím, že protože se ta zahnutá šipka zužuje, tak označuje možný pohyb horního konce svislé osy, u kterého začíná svým silnějším koncem, směrem do vodorovna.
Nevím proč by se topení mělo "pohybovat" proti směru šipky. Zvlášť když běžná montážní poloha je vodorovná, jak je na všech jiných obrázcích.
Tak jak je to namalované - tedy výdechem ohřátého vzduchu směrem dolů, je dole i výfuk spalovacího vzduchu, tak netuším, kde by to dělalo ten hrnec.
Tady je obrázek, jak to mám namontované - nahoře černý husí krk je sání topného vzduchu, pod a kousek za ním je hadice s naftou a pod ním nerezový husí krk výfuku.
http://ok2mtm.rajce.idnes.cz/Discovery_ ... 153634.jpg
A tady je pohled z druhé strany - zespodu je vyveden horký vzduch tím silným husím krkem:
http://ok2mtm.rajce.idnes.cz/Discovery_ ... 153357.jpg
Nevím proč by se topení mělo "pohybovat" proti směru šipky. Zvlášť když běžná montážní poloha je vodorovná, jak je na všech jiných obrázcích.
Tak jak je to namalované - tedy výdechem ohřátého vzduchu směrem dolů, je dole i výfuk spalovacího vzduchu, tak netuším, kde by to dělalo ten hrnec.
Tady je obrázek, jak to mám namontované - nahoře černý husí krk je sání topného vzduchu, pod a kousek za ním je hadice s naftou a pod ním nerezový husí krk výfuku.
http://ok2mtm.rajce.idnes.cz/Discovery_ ... 153634.jpg
A tady je pohled z druhé strany - zespodu je vyveden horký vzduch tím silným husím krkem:
http://ok2mtm.rajce.idnes.cz/Discovery_ ... 153357.jpg
Drobek - Discovery II TD5 pro ženu, Blufínek - Defender 130 TD5 na ježdění s dětma a mě zbyl už zase jenom Ford Mondeo
Re: D2 a horkovzdušné webasto - kam s ním????
Ta zahnutá šipka by se ani nemusela zužovat už jenom proto, že je to šipka. A ta svislá čára stejně jako ta vodorovná velmi pravděpodobně nebude osou v pravém slova smyslu ale hranicí určité výseče, jenž je znázorněná tou zahnutou šipkou. Mě tedy zase není jasné, proč bych měl výdechem topení "vyjet" pootočením zcela mimo naznačenou výseč, když nyní ve výseči je, a to na konci té šipky.
K hrnci - v tomto odkaze http://www.jpcdirect.com/category/webas ... sto-works/ je hned na začátku barevný obrázek. Podíváš-li se na něj důkladněji a oprostíš-li se od topení jako celku, jistě si všimneš pouze spalovací komory. Na obrázku - a teď se vracím k tomu přirovnání hrnce - je to hrnec, který má vpravo dno a vlevo do něj v jeho ose vstupuje vzduch ze sání a přívod paliva a při jeho okraji z něj jde výfuk. Když si celý ten obrázek otočíš tak, jak to máš v autě, tak ta spalovací komora, co je tak trochu hrnec je dnem dolů a z hora v ose do něj jde vzduch a palivo a z hora při okraji z něj jde výfuk. A z něčeho takového kondenzát prostě nevyteče.
Proto si myslím, že to má být výdechem nahoru ale jistý si nejsem. Každopádně jsi mě moc nepřesvědčil že tak jak to máš je to správně a pokusím se to zítra vytelefonovat ještě u dalších Webastařů.
K hrnci - v tomto odkaze http://www.jpcdirect.com/category/webas ... sto-works/ je hned na začátku barevný obrázek. Podíváš-li se na něj důkladněji a oprostíš-li se od topení jako celku, jistě si všimneš pouze spalovací komory. Na obrázku - a teď se vracím k tomu přirovnání hrnce - je to hrnec, který má vpravo dno a vlevo do něj v jeho ose vstupuje vzduch ze sání a přívod paliva a při jeho okraji z něj jde výfuk. Když si celý ten obrázek otočíš tak, jak to máš v autě, tak ta spalovací komora, co je tak trochu hrnec je dnem dolů a z hora v ose do něj jde vzduch a palivo a z hora při okraji z něj jde výfuk. A z něčeho takového kondenzát prostě nevyteče.
Proto si myslím, že to má být výdechem nahoru ale jistý si nejsem. Každopádně jsi mě moc nepřesvědčil že tak jak to máš je to správně a pokusím se to zítra vytelefonovat ještě u dalších Webastařů.
-
MadTom
- Příspěvky: 15387
- Registrován: 06 lis 2008 23:15
- tel.: 608 600 360
- auto: D2, Def 130
- Bydliště: Olomouc
Re: D2 a horkovzdušné webasto - kam s ním????
No a kde si myslíš, že to bude kondenzovat - v té horké komoře? To asi né, tam není moc důvod. Hlavní důvod pro kondenzaci je ve studené výfuku. Ale pokud by něco v komoře zkondenzovalo, a byla tak jak píšeš ty, tak to krásně nateče do ventilátoru. A to mu jedna neudělá dobře jako tak, a protože ten kondenzát je korozivní, tak ho to rovnou ještě rozežere.
Ty šipky na to obrázku jsou jednoznačné.
A jinak - Eberspaecher ani Ateso se svisle namontovat nedají - výrobce to nepovoluje.
Ty šipky na to obrázku jsou jednoznačné.
A jinak - Eberspaecher ani Ateso se svisle namontovat nedají - výrobce to nepovoluje.
Drobek - Discovery II TD5 pro ženu, Blufínek - Defender 130 TD5 na ježdění s dětma a mě zbyl už zase jenom Ford Mondeo
Re: D2 a horkovzdušné webasto - kam s ním????
Tu mate spalovaciu komoru
LR Defender Td5 110SW po "prestavbe" a pred "prestavbou".
Re: D2 a horkovzdušné webasto - kam s ním????
Ano, já si opravdu myslím, že bude vznikat v té komoře. Ty snad topíš tím topením stále? Asi ne, že, takže proč by v té komoře nevznikal kondenzát když vlastně není pořád horká. Kdyby to bylo jak říkám já, tak kondenzát ze spalovací komory vyteče do výfuku a jím pak ven. Mimochodem kondenzát prý vzniká za určitých podmínek i na stěnách válce motoru.
Nejsem si jistý, že to bude takové drama s tím ventilátorem, neboť se ta vlhkost vysráží na stěnách a po nich také steče.
Obrázek tak jednoznačný nebude, když vedeme tuto diskusi. U té čtvrt kružnicové šipky je napsáno 0 - 90 st. a ty jsi si pro pohyb na této výseči vybral bod nacházející se nad topením. Mimochodem, dnes jsem dal kvíz svým kolegům v práci a ti jej převážně rovněž otočili výdechem vzhůru.
Volal jsem taky několika montérům a ani zde není jednoznačná odpověď. Volal jsem i do Webasta a tam mi řekli, že plamen musí být dole a nespálená nafta musí umět odtéct. A to jsme zpět u toho hrnce, z nějž nafta vyteče jedině tehdy, bude-li spalovací komora (hrnec)dnem vzhůru, takže v výdechem vzhůru.
" A jinak - Eberspaecher ani Ateso se svisle namontovat nedají - výrobce to nepovoluje " - ano, pro mne to není novinka a jen doplním, že ani Webasto benzínové se nedá dle sdělení Webasta montovat svisle.
Nejsem si jistý, že to bude takové drama s tím ventilátorem, neboť se ta vlhkost vysráží na stěnách a po nich také steče.
Obrázek tak jednoznačný nebude, když vedeme tuto diskusi. U té čtvrt kružnicové šipky je napsáno 0 - 90 st. a ty jsi si pro pohyb na této výseči vybral bod nacházející se nad topením. Mimochodem, dnes jsem dal kvíz svým kolegům v práci a ti jej převážně rovněž otočili výdechem vzhůru.
Volal jsem taky několika montérům a ani zde není jednoznačná odpověď. Volal jsem i do Webasta a tam mi řekli, že plamen musí být dole a nespálená nafta musí umět odtéct. A to jsme zpět u toho hrnce, z nějž nafta vyteče jedině tehdy, bude-li spalovací komora (hrnec)dnem vzhůru, takže v výdechem vzhůru.
" A jinak - Eberspaecher ani Ateso se svisle namontovat nedají - výrobce to nepovoluje " - ano, pro mne to není novinka a jen doplním, že ani Webasto benzínové se nedá dle sdělení Webasta montovat svisle.
-
MadTom
- Příspěvky: 15387
- Registrován: 06 lis 2008 23:15
- tel.: 608 600 360
- auto: D2, Def 130
- Bydliště: Olomouc
Re: D2 a horkovzdušné webasto - kam s ním????
Já jsem jako bod otáčení zvolil střed Webasta, tedy střed kružnice, jejíž částí je ta šipka. A protože ta šipka má začátek a konec, tak jsem to prostě za ten začátek pomyslně chytnul a kolem toho středu otáčel až ke konci šipky. A vyšlo mi, že výdech teplého vzduchu dolů.
Stejně, když se podívám na druhou část obrázku, kde je naznačená možnost otočení okolo podélné osy, mi to vychází podobně. Střed otáčení uprostřed pomyslné kružnice, jejíž části tvoří ty zahnuté šipky. A otáčím to za bod, kde šipky začínají, po směru nebo proti směru hodinových ručiček, až o 90°, protože tady ty šipky jsou dvě. Taky je to jasnější - výfuk může být maximálně vodorovně.
Asi se kouknu po nějakém manuálu pro Američany. Ty totiž bývají napsané pro blbce.
Stejně, když se podívám na druhou část obrázku, kde je naznačená možnost otočení okolo podélné osy, mi to vychází podobně. Střed otáčení uprostřed pomyslné kružnice, jejíž části tvoří ty zahnuté šipky. A otáčím to za bod, kde šipky začínají, po směru nebo proti směru hodinových ručiček, až o 90°, protože tady ty šipky jsou dvě. Taky je to jasnější - výfuk může být maximálně vodorovně.
Asi se kouknu po nějakém manuálu pro Američany. Ty totiž bývají napsané pro blbce.
Drobek - Discovery II TD5 pro ženu, Blufínek - Defender 130 TD5 na ježdění s dětma a mě zbyl už zase jenom Ford Mondeo
Re: D2 a horkovzdušné webasto - kam s ním????
Jo, já rozumím tomu jak to otáčíš. Točím podle stejného středu. Jenže já se rozhodl chápat obrázek tak, jako že původně bylo topení v 90ti stupních výdechem nahoru. vw Webastu jím otočili ve výseči definované divnošipkou na její konec do 0st, což je jeho nejlepší poloha a takto je nyní vyobrazeno. Mě se zdá, jako kdyby sekretářka co přepisovala manuál neuměla otočit směr šipky neboť chtěl-li bych topením otočit tak jak říkáš, měl bych mít začátek šipky u výdechu a konec šipky pod topením po směru hodinových ručiček.
Já netvrdím že to jak točím já je správně. Jsem ale technik a realizace z výkresové dokumentace mě živí. Kdybych měl tu šipku chápat tak jak píšeš, musela by vypadat jinak(ve statice jsme tu šipku nazývali "naondulovaná"),nebo by musela začínat u výdechu a pokračovat po směru hod.r. pod topení a nebo by svislá a vodorovná čára musela být značena jako osa.
Vzhledem k tomu, že obrázek je obecně chápán výdechem nahoru ale i dolu a taktéž se k tomu staví montéři, přesvědčují mne ty argumenty o hoření, přirozeném proudění, odtoku kondenzátu z komory atd. Je jich víc ale stejně to neznamená to, že to je dobře.
A abych zakončil podobnou invektivou - koukni se ale žádnou Ameriku v manuálu pro Amíky nenajdeš, je to blbovzdorně překopírované včetně šipek.
Já netvrdím že to jak točím já je správně. Jsem ale technik a realizace z výkresové dokumentace mě živí. Kdybych měl tu šipku chápat tak jak píšeš, musela by vypadat jinak(ve statice jsme tu šipku nazývali "naondulovaná"),nebo by musela začínat u výdechu a pokračovat po směru hod.r. pod topení a nebo by svislá a vodorovná čára musela být značena jako osa.
Vzhledem k tomu, že obrázek je obecně chápán výdechem nahoru ale i dolu a taktéž se k tomu staví montéři, přesvědčují mne ty argumenty o hoření, přirozeném proudění, odtoku kondenzátu z komory atd. Je jich víc ale stejně to neznamená to, že to je dobře.
A abych zakončil podobnou invektivou - koukni se ale žádnou Ameriku v manuálu pro Amíky nenajdeš, je to blbovzdorně překopírované včetně šipek.
-
MadTom
- Příspěvky: 15387
- Registrován: 06 lis 2008 23:15
- tel.: 608 600 360
- auto: D2, Def 130
- Bydliště: Olomouc
Re: D2 a horkovzdušné webasto - kam s ním????
Nevím kde jsi vzal invektivu - ono i v pouhém servisním manuálu je toho napsaného více, než v manuálu instalačním.
Drobek - Discovery II TD5 pro ženu, Blufínek - Defender 130 TD5 na ježdění s dětma a mě zbyl už zase jenom Ford Mondeo
- Hanys_a_Kaca
- Příspěvky: 6555
- Registrován: 18 kvě 2010 09:13
- tel.: 775 173 983
- auto: DEF110+D2+RRC
- Bydliště: Prachatice / Budějice
Re: D2 a horkovzdušné webasto - kam s ním????
Přispěju do diskuze pouze jako lušťovkář: na schémátu s debilníma šipkama, které se dají vyložit všelijak, je podle mne naskicované topení "před" otočením. Zatimco u obrázku naležato-navýšku je jedna šipka. Tak na obrázku leží to nabřiše, nalevo, napravo, těžko může být zobrazeno "po" otočení, dyž jsou tam ta otočení dvě a naskicované je to jen jednou, tak to musí být před -? Ale jinak sbírka argumentů je tu slušná pro obě možnosti, tak se hlavně kuci nepokousejte:-)
-
MadTom
- Příspěvky: 15387
- Registrován: 06 lis 2008 23:15
- tel.: 608 600 360
- auto: D2, Def 130
- Bydliště: Olomouc
Re: D2 a horkovzdušné webasto - kam s ním????
Tak jsem šel místo kováříčka přímo ke kováři a napsal dotaz na webasto.
Výsledek je v příloze. Doufám, že takto je to už úplně jasné.
Výsledek je v příloze. Doufám, že takto je to už úplně jasné.
- Přílohy
-
- Prezentace2.pdf
- Povolené zástavby Webasto 2000 AirTop ST
- (219.51 KiB) Staženo 265 x
Drobek - Discovery II TD5 pro ženu, Blufínek - Defender 130 TD5 na ježdění s dětma a mě zbyl už zase jenom Ford Mondeo
Re: D2 a horkovzdušné webasto - kam s ním????
LR Defender Td5 110SW po "prestavbe" a pred "prestavbou".
-
MadTom
- Příspěvky: 15387
- Registrován: 06 lis 2008 23:15
- tel.: 608 600 360
- auto: D2, Def 130
- Bydliště: Olomouc
Re: D2 a horkovzdušné webasto - kam s ním????
Podle mě je to jedna stránka z nějaké výukové prezentace.
Drobek - Discovery II TD5 pro ženu, Blufínek - Defender 130 TD5 na ježdění s dětma a mě zbyl už zase jenom Ford Mondeo
Re: D2 a horkovzdušné webasto - kam s ním????
Ano, takto je to jednoznačné.
Tenhle obrázek nebo jemu podobný jsem viděl včera rovněž a je to z brožury pro servisáky kterou na webu asi nenajdeme. Jak mi šéfík onoho ústavu se smíchem sdělil, vznikl pravděpodobně právě proto, že předchozí nebyl jednoznačný a docházelo k zástavbám obráceně byť né často, neboť se svisle skoro nemontuje, ba leckde o této možnosti ani nevěděli. Smál se proto, že prý prošel stejným martyriem jako já a každý kovář i kováříček mu tvrdil to co mně - rsp. něco jiného.
Na pováženou ovšem je, že jsem kovářovi volal a tam mi řekli, že jednoznačně plamen dole, tzn. výdech nahoru. Dokonce jsem zvěděl, že při montáži na bok není jedno na jakou stranu se položí což je opět - alespoň dle nákresu-ů renonc. Ale hlavně, u všech oslovených kovářů i kováříčků zaznělo, že z obrázku je to přece jasný(jen doplním - každému jinak). Trochu mi to připomnělo tu historku se špenátem a desetinnou čárkou, taky to bylo celá desetiletí jasný a všichni tomu jako stádo věřili.
Nechť vám to topí.
Tenhle obrázek nebo jemu podobný jsem viděl včera rovněž a je to z brožury pro servisáky kterou na webu asi nenajdeme. Jak mi šéfík onoho ústavu se smíchem sdělil, vznikl pravděpodobně právě proto, že předchozí nebyl jednoznačný a docházelo k zástavbám obráceně byť né často, neboť se svisle skoro nemontuje, ba leckde o této možnosti ani nevěděli. Smál se proto, že prý prošel stejným martyriem jako já a každý kovář i kováříček mu tvrdil to co mně - rsp. něco jiného.
Na pováženou ovšem je, že jsem kovářovi volal a tam mi řekli, že jednoznačně plamen dole, tzn. výdech nahoru. Dokonce jsem zvěděl, že při montáži na bok není jedno na jakou stranu se položí což je opět - alespoň dle nákresu-ů renonc. Ale hlavně, u všech oslovených kovářů i kováříčků zaznělo, že z obrázku je to přece jasný(jen doplním - každému jinak). Trochu mi to připomnělo tu historku se špenátem a desetinnou čárkou, taky to bylo celá desetiletí jasný a všichni tomu jako stádo věřili.
Nechť vám to topí.