topení
Moderátor: Safraporte
topení
chlapi chci se zeptat ? topí fryčko tak na hovno nebo mám problém já? motor se zahřeje cca po třech kilometrech ale fouká z toho trochu teplý vzduch,asi po 15-20km to začiná hřát tak jsem z toho volaký zmetěný?
o zamlžovaní se ani nebavím je to kapitola sama o sobě
někdo mi říkal zda to nemám zavzdušněné ale rozumím tomu jak prase vzduchovce tož zkuzte poradit....díky
Re: topení
Do kabiny za motorem s tvého pohledu v pravo vedou nad sebou dvě hadice, na horní hadici by mněl být umělohmotný šroubek,ten povol dokud nebude z něj nebude odtékat voda. V nádržce na vodu musí byt dostatek vody. Pozor ať se nespálíš.
Re: topení
Sauna to zrovna není, ale po zahřátí topí.
- cesta
- Příspěvky: 546
- Registrován: 01 črc 2009 10:08
- auto: Freelander I TD4
- Bydliště: Koňakov-Český Těšín
Re: topení
Jo jo je to tak ,ja mám TD4 2002 trvá to dlouho než se to zahřeje, to nebude asi zavzdušněné,u mě už přidali nad topení tzv.PTC a asi věděli proč.Jsou to 3 el.spirály 3x300w, které se zapínaj automaticky jak přepnu topení + ventilátor od 1 hodiny až dolů(celé červené pole)takže topím okamžitě po nastartování studeného motoru.A ty zamlžené okna mám taky.
Freelander TD4 2002+Discovery 2 TD5 2001
Re: topení
Kym zacne fukat teply vzdych, tak naozaj prejdem 10 km. A zahmlievanie okien... Kapitola sama o sebe. Najskor som myslel, ze mam zaneseny pelovy filter, preto mi nestiha ventilator. No a ked som zacal hladat nejaky pelovy filter, tak som zistil, ze Freelander asi ziadny nema
Vysledok je teda ten, ze to na sklo fuka, ale je to stale zahmlene.
Freelander 2.0 Di, rv. 1999, 5 dv.
Re: topení
Este ma napadlo, ze na zahmlene okna je dobre zapinat v zime klimatizaciu. Klimatizacia vysusi vzduch, ktory potom kurenie prihreje a tak vlastne zmizne jav zahmlenych okien.
Freelander 2.0 Di, rv. 1999, 5 dv.
- Mahatma
- Příspěvky: 283
- Registrován: 13 pro 2007 19:23
- tel.: jedině Xperia Z1c
- auto: Disco 3
- Bydliště: Ostrava
Re: topení
Tak tak, u mé td4 to trvá taky nějakou chvíli než odložím rukavice a kulicha a výkon topení stejně jako klimatizace nic moc. Co se týče mlžení skel, mám přímo na středovém panelu z výroby veselé obrázky, které říkají, že když chci odmlžit, mám zapnout klimu.
Holt britské auto stavěné na ostrovní klima.
Holt britské auto stavěné na ostrovní klima.
-
Safraporte
- Příspěvky: 1341
- Registrován: 03 zář 2009 12:01
- tel.: 739634575
- auto: noLR
- Bydliště: jak to jde, tak na rybách
Re: topení Free Td4
Big problem: právě jsem přišel z venku, kde jsem už myslel, že mi hoří auto - možná i hořelo.
Popis: od chvíle, kdy jsem začal používat v autě topení na místo větrání - viz výše popsané jako ,,od 1 hodiny dolů" začal se mi ozývat jakýsi větráček za předním světlem na řidičově straně (prostě odtamad odněkud vychází ten zvuk) a po vypnutí motoru ještě dobíhá. U teplého motoru vypne skoro hned a u studeného i více než po 2 minutách.
To bych ještě skousnul, ale teď jsem právě nastartoval studený motor a zajel s autem do garáže. Zaplať pánbůh jsem se ještě pro něco vracel, když jsem si všimnul, jak se z pod přední kapoty valí hustý bílý kouř. Okamžitě jsem nastartoval a vycouval ven z garáže. Po otevření kapoty jsem ale vůbec nenašel odkud by to mohlo pocházet a napadlo mne tedy před vypnutím motoru stáhnout topení na chlazení. A problém už se neobjevil.
Podotýkám, že klimu jsem měl vypnutou.
Má prosím někdo podobnou zkušenost a hlavně dobrou radu??
2PavelU: bufík? mám snad V3S?
Tak to mne nenapadlo, ale je fakt, že to v garáži po spáleném plastu nebo tak podobně nesmrdělo. To je mi novina. A to jako fakt bufík na předehřev? A proč by na to mělo vliv to vytápění? A stejně - takhle kouřit to určo nemá ... málem jsem měl infarkt a už jsem se byl v garáži i 2x podívat, pro sichr 
Popis: od chvíle, kdy jsem začal používat v autě topení na místo větrání - viz výše popsané jako ,,od 1 hodiny dolů" začal se mi ozývat jakýsi větráček za předním světlem na řidičově straně (prostě odtamad odněkud vychází ten zvuk) a po vypnutí motoru ještě dobíhá. U teplého motoru vypne skoro hned a u studeného i více než po 2 minutách.
To bych ještě skousnul, ale teď jsem právě nastartoval studený motor a zajel s autem do garáže. Zaplať pánbůh jsem se ještě pro něco vracel, když jsem si všimnul, jak se z pod přední kapoty valí hustý bílý kouř. Okamžitě jsem nastartoval a vycouval ven z garáže. Po otevření kapoty jsem ale vůbec nenašel odkud by to mohlo pocházet a napadlo mne tedy před vypnutím motoru stáhnout topení na chlazení. A problém už se neobjevil.
Podotýkám, že klimu jsem měl vypnutou.
Má prosím někdo podobnou zkušenost a hlavně dobrou radu??
2PavelU: bufík? mám snad V3S?
Naposledy upravil(a) Safraporte dne 15 říj 2009 18:13, celkem upraveno 1 x.
- PavelU
- Příspěvky: 5182
- Registrován: 01 úno 2009 17:54
- tel.: +420 603716996
- auto: Land Rover
- Bydliště: Zlín
- Kontaktovat uživatele:
Re: topení
Podle mě to bude bufík(příhřev), který pomáhá ohřát motor... 
LAND ROVER náhradní díly, doplňky a offroad příslušenství. Distributor dílů ALLMAKES, TERRAFIRMA, BRITPART, BEARMACH, ALLISPORT
Kontakt: E-SHOP http://www.litep4x4.cz ** E-MAIL info@litep4x4.cz ** MOBIL (+420) 603716996 ** FACEBOOK - facebook.com/litep4x4
Kontakt: E-SHOP http://www.litep4x4.cz ** E-MAIL info@litep4x4.cz ** MOBIL (+420) 603716996 ** FACEBOOK - facebook.com/litep4x4
- Distruptor
- Příspěvky: 154
- Registrován: 30 bře 2009 04:29
- auto: Freelander, D4?
- Bydliště: SR
Re: topení
Land Rover FREELANDER Td4, HSE, 5dv, 2005, automat
-
Safraporte
- Příspěvky: 1341
- Registrován: 03 zář 2009 12:01
- tel.: 739634575
- auto: noLR
- Bydliště: jak to jde, tak na rybách
Re: topení
naivní dotaz: ten je tam dodatečně nebo je to normal výbava .. a kde ho tam najdu a jak poznám? A co ten bílý dým?Distruptor píše:je to tzv. fuel burning heater. Od firmy Webasto, ak ho nechces kludne ho od teba odkupim
do nedávna jsem sedlal jen ,,břichoplazy"
2Distruptor: díky moc za info (jo ale obrázky mi nefachaj v žádném prohlížeči ...)
Naposledy upravil(a) Safraporte dne 15 říj 2009 21:07, celkem upraveno 1 x.
- Distruptor
- Příspěvky: 154
- Registrován: 30 bře 2009 04:29
- auto: Freelander, D4?
- Bydliště: SR
Re: topení
No davalo sa to do standardnej vybavy v severnych krajinach teda co som pocul.
Nejake foto tu:


Detaily fungovania si uz moc nepametam ale ten biely dym je 100% v poriadku, zevraj. Ja ho bohuzial vo vybave nemam takze osobna skusenost ziadna.
Nejake foto tu:
Detaily fungovania si uz moc nepametam ale ten biely dym je 100% v poriadku, zevraj. Ja ho bohuzial vo vybave nemam takze osobna skusenost ziadna.
Land Rover FREELANDER Td4, HSE, 5dv, 2005, automat
-
Safraporte
- Příspěvky: 1341
- Registrován: 03 zář 2009 12:01
- tel.: 739634575
- auto: noLR
- Bydliště: jak to jde, tak na rybách
Re: topení
Něco jsem našel a i když nejsem angličtinář potvrzuje to tvá slova. Může prosím někdo přesný překlad?
Some TD4 Freelanders (not L-series) (maybe Discovery TD5 too) are fitted as standard with a fuel burning heater in the n/s front wheel arch to aid cold weather starting and speed up the process of the engine getting up to normal temperature. If you have drive a TD4 Freelander or Rover 75 models without the burner fitted or working you will know it can take five miles or more to get the engine up to temperature and have a decent cabin temperature.
When you start the car and the exterior temperature is below 5degC then the burner will kick in and heat the cooling system fluid up making for faster warm up times. Reduced emissions, less wear on engine, heater works quicker etc. Think of it just like a miniature domestic central heating boiler. Normally you will not hear the FBH running over the clatter from the engine running, but when you switch off the engine, you may hear a fan blowing for two minutes, and maybe even see a puff of smoke coming from the miniature FBH exhaust at the n/s front lower part of the bumper, this is the FBH finishing it's shut down cycle.
By converting the FBH to parking heater you can switch it on and off at will independant of the engine status, which can defrost your windscreen, heat the interior up, heat the engine up before climbing into the car or starting etc.
http://forums.mg-rover.org/showthread.php?t=278836
A s tou severskou verzí - já mám auto koupené jako nové v ČR.
Some TD4 Freelanders (not L-series) (maybe Discovery TD5 too) are fitted as standard with a fuel burning heater in the n/s front wheel arch to aid cold weather starting and speed up the process of the engine getting up to normal temperature. If you have drive a TD4 Freelander or Rover 75 models without the burner fitted or working you will know it can take five miles or more to get the engine up to temperature and have a decent cabin temperature.
When you start the car and the exterior temperature is below 5degC then the burner will kick in and heat the cooling system fluid up making for faster warm up times. Reduced emissions, less wear on engine, heater works quicker etc. Think of it just like a miniature domestic central heating boiler. Normally you will not hear the FBH running over the clatter from the engine running, but when you switch off the engine, you may hear a fan blowing for two minutes, and maybe even see a puff of smoke coming from the miniature FBH exhaust at the n/s front lower part of the bumper, this is the FBH finishing it's shut down cycle.
By converting the FBH to parking heater you can switch it on and off at will independant of the engine status, which can defrost your windscreen, heat the interior up, heat the engine up before climbing into the car or starting etc.
http://forums.mg-rover.org/showthread.php?t=278836
A s tou severskou verzí - já mám auto koupené jako nové v ČR.
- PavelU
- Příspěvky: 5182
- Registrován: 01 úno 2009 17:54
- tel.: +420 603716996
- auto: Land Rover
- Bydliště: Zlín
- Kontaktovat uživatele:
Re: topení
Je to běžné u "nových" diesel motorů, které se moc nehřejou...
...mám dva citroeny a oba to mají jako základní výbavu pro ČR, zapíná se to když je venku kolem 5stupňů. 
LAND ROVER náhradní díly, doplňky a offroad příslušenství. Distributor dílů ALLMAKES, TERRAFIRMA, BRITPART, BEARMACH, ALLISPORT
Kontakt: E-SHOP http://www.litep4x4.cz ** E-MAIL info@litep4x4.cz ** MOBIL (+420) 603716996 ** FACEBOOK - facebook.com/litep4x4
Kontakt: E-SHOP http://www.litep4x4.cz ** E-MAIL info@litep4x4.cz ** MOBIL (+420) 603716996 ** FACEBOOK - facebook.com/litep4x4
- Hunter
- Příspěvky: 1497
- Registrován: 22 bře 2007 01:04
- auto: Free I Td4 AT
- Bydliště: Jičínsko
- Kontaktovat uživatele:
Re: topení
Muzes byt rad, ze to tam mas (prihrivac) - patris mezi ty stastnejsi
Davalo se to tam nejen v severnich zemich, ale napr. i u nas v CR. My, co jsme si auto dovezli ze SRN, mame smulu
Jak tu zaznelo, pokud Ti ten cmoud vadi, rad to od Tebe za 1,-Kc koupim
Ono z toho totiz jde velice jednoduse udelat klasicke nezavisle topeni. Jinak se to tu jiz nekolikrat probiralo.
Free Td4 2004 HSE automat
- Jan Ikl
- Příspěvky: 144
- Registrován: 10 úno 2008 21:39
- tel.: 608859665
- Bydliště: Kopřivnice,Přerov
- Kontaktovat uživatele:
Re: topení
Jak se tady píše,topení nic moc,alesp.ze začátku...není to jako kdysi moje Lada 2101 a2105
Asi opravdu pomůže ta klimatizace...co se týče dané potíže,taky si myslím,že je to "bufík"(příhřev),a co jsem se dočetl,tak je to dobrá věc...co jsem vyrozuměl z ang.úryvku za spolu se spící družkou,je u Tebe vše o.k,i ten dým...chtělo by to čas a slovník...
p.s. a pylový filtr starší free nemají...viz můj příklad...o tom by Vám mohl povykládat J.Pešlík,jak ho hledal a nenašel... 
- Mahatma
- Příspěvky: 283
- Registrován: 13 pro 2007 19:23
- tel.: jedině Xperia Z1c
- auto: Disco 3
- Bydliště: Ostrava
Re: topení
Jo předehřev mě taky vyděsil, strašný hukot a dým z předního blatníku. U mě se zapne až od -15°, takže jsem to zažil snad jen dvakrát.
-
Safraporte
- Příspěvky: 1341
- Registrován: 03 zář 2009 12:01
- tel.: 739634575
- auto: noLR
- Bydliště: jak to jde, tak na rybách
Re: topení
otrocký překlad translátorem, ale pomohl mi:
Některé TD4 Freelanders (nikoli L-série) (možná Discovery TD5 příliš) jsou standardně vybaveny ohřívačem spalování paliva v n / s předních blatníků na podporu chladného počasí začíná a urychlit proces motoru dostat až na normální teplotu . If you have drive a TD4 Freelander or Rover 75 models without the burner fitted or working you will know it can take five miles or more to get the engine up to temperature and have a decent cabin temperature. Pokud máte řídit TD4 Freelander nebo Rover 75 modelů bez hořákem nebo pracovat, budete vědět, že může trvat pět mil a více se dostat až na teplotu motoru a mají slušnou kabině teplotu.
When you start the car and the exterior temperature is below 5degC then the burner will kick in and heat the cooling system fluid up making for faster warm up times. Spustíte-li auto a vnější teplota pod 5degC pak hořák bude kopat a tepla v chladicí kapaliny do tvorby systému pro rychlejší zahřát krát. Reduced emissions, less wear on engine, heater works quicker etc. Think of it just like a miniature domestic central heating boiler. Snížení emisí, menší opotřebení motoru, topení pracuje rychleji, atd. Myslete na to, stejně jako miniaturní domácí kotel ústředního topení. Normally you will not hear the FBH running over the clatter from the engine running, but when you switch off the engine, you may hear a fan blowing for two minutes, and maybe even see a puff of smoke coming from the miniature FBH exhaust at the n/s front lower part of the bumper, this is the FBH finishing it's shut down cycle. Za normálních okolností nebudete slyšet FBH přeběhnutí rachot z motoru v chodu, ale když vypnete motor, můžete slyšet ventilátor fouká na dvě minuty, a možná dokonce i vidět obláček kouř z výfuku při miniaturních FBH n / s přední spodní část nárazníku, to je FBH dokončení je vypnutí cyklu.
By converting the FBH to parking heater you can switch it on and off at will independant of the engine status, which can defrost your windscreen, heat the interior up, heat the engine up before climbing into the car or starting etc. Převodem na FBH nezávislé topení, můžete zapnout a vypnout a bude nezávislý na stavu motoru, který může si rozmrazování čelního skla, teplo do interiéru, teplo motoru se před výstupem do auta nebo výchozí apod.
snad to též někomu pomůže
PS: jen mi z toho ještě není jasné to přepnutí na nezávislé topení (musím ozkoušet co a jak)
2Hunter: neprodám
Některé TD4 Freelanders (nikoli L-série) (možná Discovery TD5 příliš) jsou standardně vybaveny ohřívačem spalování paliva v n / s předních blatníků na podporu chladného počasí začíná a urychlit proces motoru dostat až na normální teplotu . If you have drive a TD4 Freelander or Rover 75 models without the burner fitted or working you will know it can take five miles or more to get the engine up to temperature and have a decent cabin temperature. Pokud máte řídit TD4 Freelander nebo Rover 75 modelů bez hořákem nebo pracovat, budete vědět, že může trvat pět mil a více se dostat až na teplotu motoru a mají slušnou kabině teplotu.
When you start the car and the exterior temperature is below 5degC then the burner will kick in and heat the cooling system fluid up making for faster warm up times. Spustíte-li auto a vnější teplota pod 5degC pak hořák bude kopat a tepla v chladicí kapaliny do tvorby systému pro rychlejší zahřát krát. Reduced emissions, less wear on engine, heater works quicker etc. Think of it just like a miniature domestic central heating boiler. Snížení emisí, menší opotřebení motoru, topení pracuje rychleji, atd. Myslete na to, stejně jako miniaturní domácí kotel ústředního topení. Normally you will not hear the FBH running over the clatter from the engine running, but when you switch off the engine, you may hear a fan blowing for two minutes, and maybe even see a puff of smoke coming from the miniature FBH exhaust at the n/s front lower part of the bumper, this is the FBH finishing it's shut down cycle. Za normálních okolností nebudete slyšet FBH přeběhnutí rachot z motoru v chodu, ale když vypnete motor, můžete slyšet ventilátor fouká na dvě minuty, a možná dokonce i vidět obláček kouř z výfuku při miniaturních FBH n / s přední spodní část nárazníku, to je FBH dokončení je vypnutí cyklu.
By converting the FBH to parking heater you can switch it on and off at will independant of the engine status, which can defrost your windscreen, heat the interior up, heat the engine up before climbing into the car or starting etc. Převodem na FBH nezávislé topení, můžete zapnout a vypnout a bude nezávislý na stavu motoru, který může si rozmrazování čelního skla, teplo do interiéru, teplo motoru se před výstupem do auta nebo výchozí apod.
snad to též někomu pomůže
PS: jen mi z toho ještě není jasné to přepnutí na nezávislé topení (musím ozkoušet co a jak)
2Hunter: neprodám
- cesta
- Příspěvky: 546
- Registrován: 01 črc 2009 10:08
- auto: Freelander I TD4
- Bydliště: Koňakov-Český Těšín
Re: topení
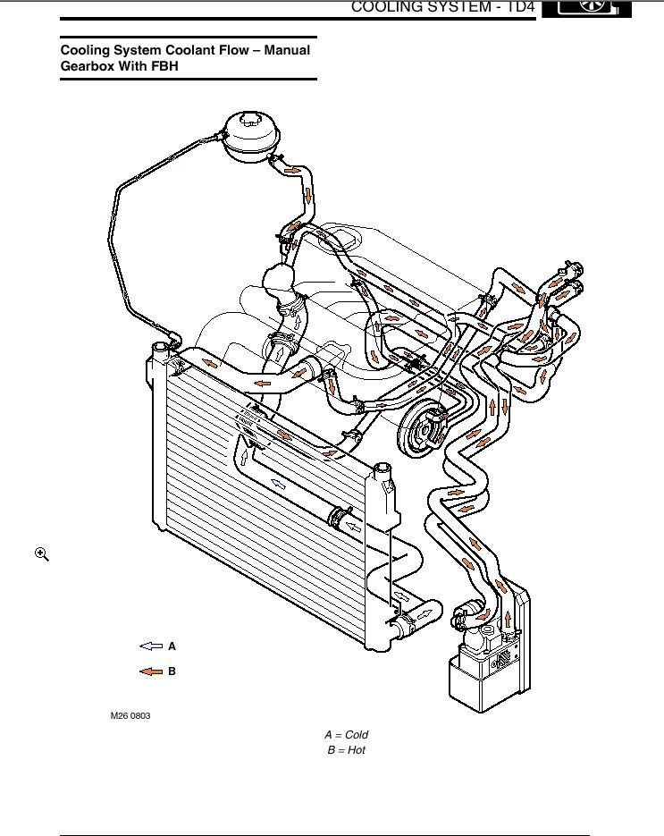
Myslím že se to musí dodělat,teď to zapíná automaticky podle čidla v předním nárazníku ,při 5 stupních a níže,a jde k tomu dokoupit to ovládání, že si to zapneš sám nebo přes mobil,nebo naprogramuješ zapnutí ,někde se to tu už psalo.Tady je schéma chlazení ,topení.
- Přílohy
-
- FBH.jpg
- (109.52 KiB) Staženo 1929 x
Freelander TD4 2002+Discovery 2 TD5 2001
- Hunter
- Příspěvky: 1497
- Registrován: 22 bře 2007 01:04
- auto: Free I Td4 AT
- Bydliště: Jičínsko
- Kontaktovat uživatele:
Re: topení
Jak pise cesta, musi se to predelat, nejde to jenom "prepnout", tz. dokoupit to ovládání atd.
Free Td4 2004 HSE automat