Range Rover P38 nefunkční rádio, reproduktory
Range Rover P38 nefunkční rádio, reproduktory
Zdravím mám malý problém na mé p38, mám v ní rádio clarion, s audiem Harman Kardon a originál rádia mi odešly, a po připojení klasického rádia 1din jsem zkusil vytáhnout piny z rádia a připojit je do konektoru repraku, (růžového) a proud do nich nejde, při připojení originál rádia k reprakum slyším bzučení-(proud do repra jde),-konektory jsem zkontroloval všude a nikde nebyl problém.zkontroloval jsem i zesilovače a jsou v cajku, repraky jsem zkusil zvlášť a taky funguji, nevím už po čem jít dále v elektrice se moc nevyznám, díky všem za rady.
- eliott
- Příspěvky: 11545
- Registrován: 06 led 2007 20:40
- tel.: +420608021838
- auto: několik
- Bydliště: České Budweisrovice
- Kontaktovat uživatele:
Re: Range Rover P38 nefunkční rádio, reproduktory
Původní rádio nejde bez úprav nahradit běžným rádiem. Je na to nějaká finta, z hlavy jí ale nevím. Řeším to teď i na svém a snažím se nechat opravit původní.
Zastoupení ALLMAKES 4x4, TERRAFIRMA 4x4, prodejce BRITPART, specializovaný servis, renovace a přestavby na přání.
konzultace +420608021838 --- E-SHOP s náhradními díly http://www.eliott.in --- email : landrover.eliott@gmail.com
konzultace +420608021838 --- E-SHOP s náhradními díly http://www.eliott.in --- email : landrover.eliott@gmail.com
- Tazik1992
- Příspěvky: 1429
- Registrován: 10 čer 2014 22:59
- tel.: 602875958
- auto: Defík
- Bydliště: Holýšov,Kaznějov
Re: Range Rover P38 nefunkční rádio, reproduktory
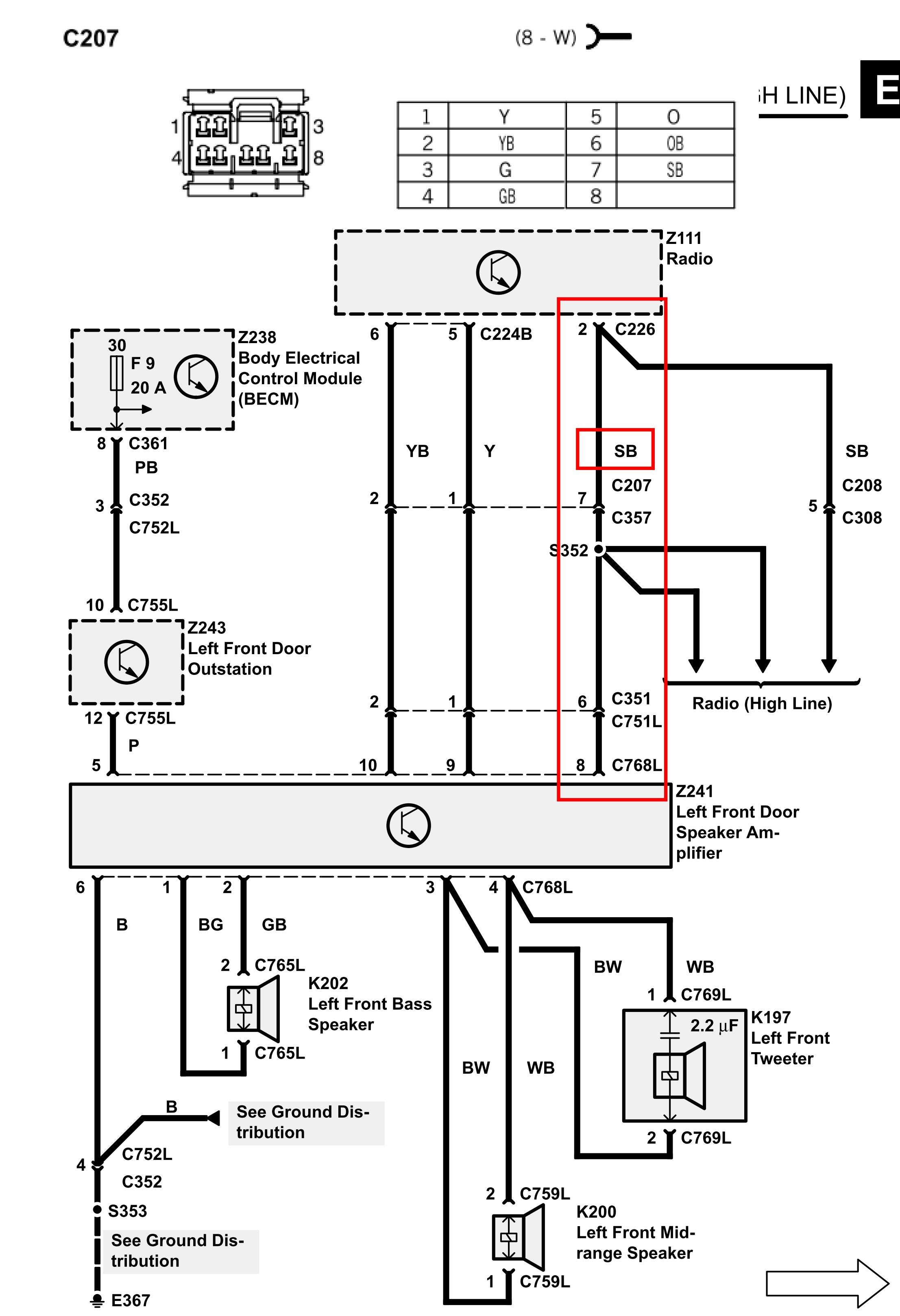
Podle schématu má každý reprák svůj podružný zesilovač. Ty zesilovače se "probouzí" až při zapnutí radia signálem na SB vodiči.
Při použití obyčejného rádia je tedy potřeba doplnit ten signál.
Při použití obyčejného rádia je tedy potřeba doplnit ten signál.
Sloužim lidu! :-)
Land Rover Defender 110SW 300Tdi 1998
ex-služební Land Rover Defender 2,4TDCi Puma 2008
Land Rover Defender 110SW 300Tdi 1998
ex-služební Land Rover Defender 2,4TDCi Puma 2008
Re: Range Rover P38 nefunkční rádio, reproduktory
A věděl bys prosím jak to doplnil- co pro to udělat? Fakt elektrice moc nerozumím a schéma jsem pochopil 50 na 50.
- Tazik1992
- Příspěvky: 1429
- Registrován: 10 čer 2014 22:59
- tel.: 602875958
- auto: Defík
- Bydliště: Holýšov,Kaznějov
Re: Range Rover P38 nefunkční rádio, reproduktory
Sem si ani nevšim, že jsi položil doplňující dotaz, proto ta SZ
Tak já to dám i do vlákna.
No, já sem ho v rychlosti takhle označil dle toho schématu. To SB není nic technického, ale zkratka barevného kódu S-grey-šedá, B-black-černá, v tomdle případě je to tedy šedý kabel s tenkým černým proužkem. Je to signální vodič, který dle toho schéma vede z konektoru autorádia C226 a větví se k jednotlivým zesilovačům ve dveřích a k subwoofru. Nevim teda jaký je na něm napětí, jestli 12V nebo třeba jen 5V, to by chtělo změřit s orig rádiem. Napadlo mě, že kdyby tam bylo 12V, tak by se ten signál s běžným rádiem dal možná simulovat vývodem napětí pro ovládání automatické antény.
No, já sem ho v rychlosti takhle označil dle toho schématu. To SB není nic technického, ale zkratka barevného kódu S-grey-šedá, B-black-černá, v tomdle případě je to tedy šedý kabel s tenkým černým proužkem. Je to signální vodič, který dle toho schéma vede z konektoru autorádia C226 a větví se k jednotlivým zesilovačům ve dveřích a k subwoofru. Nevim teda jaký je na něm napětí, jestli 12V nebo třeba jen 5V, to by chtělo změřit s orig rádiem. Napadlo mě, že kdyby tam bylo 12V, tak by se ten signál s běžným rádiem dal možná simulovat vývodem napětí pro ovládání automatické antény.
Sloužim lidu! :-)
Land Rover Defender 110SW 300Tdi 1998
ex-služební Land Rover Defender 2,4TDCi Puma 2008
Land Rover Defender 110SW 300Tdi 1998
ex-služební Land Rover Defender 2,4TDCi Puma 2008